Instalatorze, możesz zamówić kotły Vaillant ecoTEC pro za punkty PIK!
 

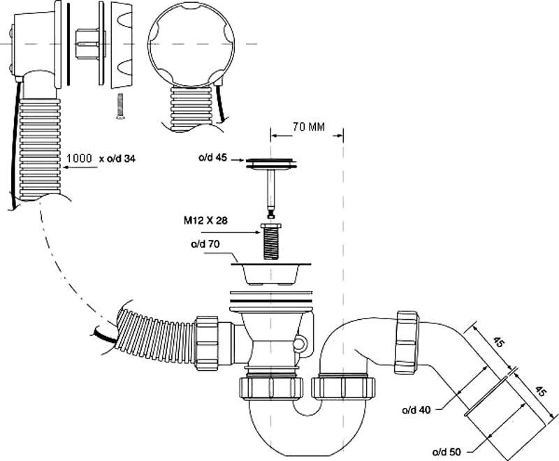
Zestaw odpływ-przelew.wannowy z odejściem 40/50mm,z mech.autom.100mm pokrętło mosiądz CHROM

Kod IK

CEHC31M-S2-1M

Kod EAN

5036484010254

Kod producenta

HC31M-S2-1M

Marka

MCALPINE

Model

Brak modelu

Cena katalogowa netto

184,99 zł / szt.

Cena katalogowa brutto

227,54 zł / szt.

Zestaw odpływowo-przelewowy do wanny i głębokiego brodzika z pokrętłem i korkiem umożliwiającym zamknięcie i otwarcie odpływu. Pokrętło wykonane z mosiądzu pokrytego warstwą chromu. Odejście 11/2"x40/50mm. Przelew i linka długości 1000mm.

Dane logistyczne

Opakowanie zbiorcze 1

Jednostka zbiorcza opak.

opak

Ilość

25

Masa brutto [kg]

21,56

Długość [m]

0,48

Szerokość [m]

0,58

Wysokość [m]

0,58