Instalatorze, możesz zamówić kotły Vaillant ecoTEC pro za punkty PIK!
 

Zawór wodny VIEGA 578845 zw 1/2'' x zw 1/2''

Kod IK

67556150

Kod EAN

4015211556150

Kod producenta

556150

Marka

VIEGA

Model

578845

Cena katalogowa netto

838,39 zł / szt.

Cena katalogowa brutto

1 031,22 zł / szt.

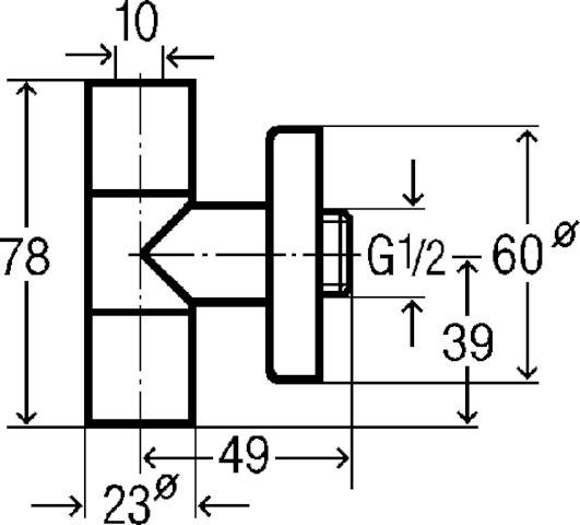
Eleganta-zawór kątowy, mosiądz chrom., gwint R samouszczelniający. Wyposażenie: Rozeta przesuwna, końcówka stożkowa z mosiądzu z długą dwuzłączką zaciskową, nr wzoru 5788.45, nr kat. 556 150, R: ½ DN: 10 ilość w zestawie: 2

Dane techniczne

Nominalna średnica wewnętrzna odpływu

1/2''

Rodzaj połączenia odpływu

ZW

Rodzaj połączenia zasilającego

ZW

Rozmiar połączenia zasilającego

1/2''

Dane logistyczne

Opakowanie zbiorcze 1

Jednostka zbiorcza opak.

paleta

Ilość

500

Masa brutto [kg]

287,3

Długość [m]

0,8

Szerokość [m]

1,2

Wysokość [m]

0,675