Zatapialna pompa do ścieków SL1.50.65.40.2.50D.C
SL1.50.65.40.2.50D.C
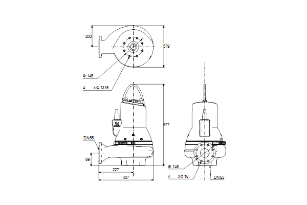
Normalnie ssąca jednostopniowa pompa odśrodkowa przeznaczona do tłoczenia wody brudnej i procesowej oraz nieoczyszczonych ścieków surowych.
Pompa jest przeznaczona do montażu na mokro oraz zarówno do pracy ciągłej, jak i przerywanej. Rewolucyjny wirnik S-tube® umożliwia tłoczenie cieczy zawierających cząstki stałe o wielkości do 50 mm i nadaje się do tłoczenia ścieków o zawartości suchej masy do 3%. Unikalny zaciskowy system do montażu ze stali nierdzewnej
Dane logistyczne
Opakowanie zbiorcze 1
Jednostka zbiorcza opak.
warstwa
Opakowanie zbiorcze 2
Jednostka zbiorcza opak.
paleta








