Wilo-Stratos MAXO 32/0,5-8 PN6/10 pompa obiegowa bezdławnicowa, 5 lat gwarancja
Pompa Smart Premium Wilo-Stratos MAXO
Pompa bezdławnicowa Inline o najwyższej sprawności z silnikiem EC i elektronicznym dopasowaniem wydajności. Stosowanie dla wody grzewczej, zimnej oraz mieszanki wody i glikolu. Współczynnik sprawności energetycznej (EEI) w zależności od typu pompy ≤ 0,17 i ≤ 0,19.
*Rodzaje regulacji:
*Stałe, automatyczne dostosowanie mocy do wymagań instalacji bez wprowadzania wartości zadanych Wilo-Dynamic Adapt plus (ustawienie fabryczne). Oszczędność zużycia energii do 20 % w porównaniu z trybem regulacji dp-v.
*Stała temperatura (T-const.)
*Stała temperatura różnicowa (dT-const.)
*Dostosowana do zapotrzebowania optymalizacja przepływu obrotowego pompy zasilającej poprzez połączenie i komunikację z kilkoma pompami (Multi-Flow Adaptation).
*Stały przepływ (Q-const.)
*Regulacja różnicy ciśnień dp-c w punkcie oddalonym w rurociągu (regulacja punktu błędnego)
*Stała różnica ciśnień (dp-c)
*Zmienna różnica ciśnień (dp-v) z opcją nominalnego wprowadzania punktu pracy
*Stała prędkość obrotowa (n-const.)
*Zdefiniowana przez użytkownika regulacja PID
*Funkcje:
*Rejestracja ilości ciepła
*Rejestracja ilości zimna
*Automatyczne wyłączanie w przypadku rozpoznania w pompie przepływu zerowego (No-Flow Stop)
*Przełączanie pomiędzy trybem grzania i chłodzenia (automatycznie, zewnętrzne i manualnie)
*Nastawne ograniczenie przepływu przez funkcję Q-Limit (Qmin. i Qmax.)
*Rodzaj pracy pomp podwójnych: Optymalizowana sprawnościowo praca z dołączaniem dla dp-c i dp-v, tryb pracy podstawowej / tryb pracy z rezerwą
*Zapisywanie i przywracania skonfigurowanych ustawień pompy (3 punkty przywrócenia ustawień)
*Sygnalizacja awarii / ostrzeżenia w formie tekstu wraz z pomocą
*Funkcja odpowietrzania do automatycznego odpowietrzania komory wirnika
*Automatyczna praca w trybie obniżenia nocnego
*Automatyczna funkcje nieblokowania i wbudowane pełne zabezpieczenie silnika
*Wykrywanie pracy na sucho
*Wskazanie:
*Rodzaj regulacji
*Wartość zadana
*Przepływ
*Temperatura
*Max. pobór mocy
*Zużycie prądu
*Czynniki wywierające aktywny wpływ (np. STOP, No-Flow Stop)
*Wersja:
*2 konfigurowane wejścia analogowe: 0 - 10 V, 2 - 10 V, 0 - 20 mA, 4 - 20 mA i standardowe PT1000; zasilanie elektryczne z +24 V DC
*2konfigurowalne wejścia cyfrowe (Ext. Off, Ext. Min, Ext. Max, ogrzewanie / chłodzenie, możliwość ręcznego przesterowania (automatyka budynku sparowana), blokada obsługi (blokada klawiszy i ochrona konfiguracji pilotów))
*2konfigurowane przekaźniki do sygnalizacji komunikatów pracy i sygnalizacji awarii
*Gniazdo modułów CIF Wilo z interfejsami do automatyki budynku (opcjonalne wyposażenie dodatkowe: moduły CIF Modbus RTU, BACnet MS/TP, LON, PLR)
*Wilo Net jako system magistrali Wilo do komunikacja produktów Wilo między sobą np. Multi-Flow Adaptation; Pompa podwójna i Wilo-Smart Gateway
*Zintegrowane czujniki temperatury
*Automatyczny tryb awaryjny w sytuacjach wyjątkowych (zdefiniowana prędkość obrotowa pompy) np. w przypadku gdy nastąpi wyłączenie komunikacji za pomocą magistrali lub wartości czujników
*Graficzny wyświetlacz kolorowy (4,3 cala) z obsługą poprzez moduł obsługi ręcznej za pomocą jednego przycisku
*Odczytywanie i ustawianie danych pracy oraz np. sporządzanie protokołu z uruchomienia za pośrednictwem interfejsu Bluetooth (bez innego wyposażenia dodatkowego) przy użyciu aplikacji Wilo-Assistant
*Zarządzanie pracą pomp podwójnych zintegrowane (pompy podwójne są okablowane), przy stosowaniu 2 pomp pojedynczych jako jednostki pompy podwójnej, połączenie Wilo Net
*Możliwość rozpoznania przerwania przewodu w przypadku sygnału analogowego (w połączeniu z 2 - 10 V lub 4 - 20 mA)
*Ustawienie na zewnątrz z ochroną przed czynnikami klimatycznymi zgodnie z instrukcją montażu i obsługi
*Data i godzina ustawione seryjnie
*Pokrywy izolacji termicznej do zastosowania w instalacjach grzewczych
*Zakres dostawy
*Pompa
*Zoptymalizowany Wilo-Konektor do wszystkich wielkości
*2x dławiki przewodu M16 x 1,5
*Podkładki dla śrub kołnierzowych M12 i M16 (wartości znamionowe podłączenia DN 32 i DN 65)
*2x uszczelki w przypadku przyłącza gwintowanego
*Pokrywy izolacji termicznej
*Kompaktowa instrukcja montażu i obsługi
*Opcjonalne wyposażenie dodatkowe:
*Izolacja chłodnicza ClimaForm zapobiegająca powstawaniu kondensatu
*Moduł CIF: Modbus RTU, BACnet MS/TP, LON, PLR
*PT 1000 (B) czujniki orurowania (dla wody użytkowej)
*PT 1000 (AA) przetwornik do montażu w tulei zanurzeniowej
*Czujnik różnicy ciśnień
Dane eksploatacyjne
*temperatura przetłaczanej cieczy: -10 oC
*temperatura otoczenia: -10 oC
*Maks. ciśnienie robocze: 10 bar
*Minimalna wysokość dopływu dla 50 oC: 3
*Minimalna wysokość dopływu dla 95 oC: 10
*Minimalna wysokość dopływu dla 110 oC: 16
Dane silnika
*Współczynnik sprawności energetycznej (EEI): 0,18
*Generowanie zakłóceń: EN 61800-3;2004+A1;2012 / środowisko mieszkalne (C1)
*Odporność na zakłócenia: EN 61800-3;2004+A1;2012 / środowisko przemysłowe (C2)
*Przyłącze sieciowe:
*Pobór mocy: 160
*Prędkość obrotowa min.: 500 Obroty / min
*Prędkość obrotowa maks.: 3550 Obroty / min
*Stopień ochrony silnika:
*Dławik przewodu:
Materiały
*Korpus pompy: EN-GJL-250
*Wirnik:
*Wał: Stal nierdzewna
*Materiał łożysk: Grafit
Wymiary montażowe
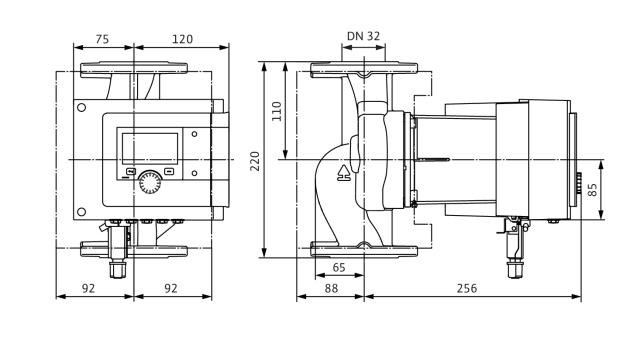
*Przyłącze gwintowane po stronie ssawnej: DN 32
*Przyłącze gwintowane po stronie tłocznej: DN 32
*Długość montażowa: 220 mm
Informacje na temat umiejscowienia zamówień
*Produkt:
*Nazwa produktu: Stratos MAXO 32/0,5-8 PN 6/10
*Masa netto ok.: 10,8 kg
*Numer artykułu: 2164578
Dane techniczne
Częstotliwość
50/60 Hz
Długość połączenia 1 [mm]
110
Długość połączenia 2 [mm]
85
Długość wbudowania [mm]
220
Gatunek materiału
Żeliwo GG 25
Klasa ciśnienia kołnierza
PN 6/10
Klasa ciśnienia urządzenia
PN 10
Klasa izolacji wg IEC
F
Maksymalna temperatura medium [°C]
110
Materiał korpusu
Żeliwo
Materiał wirnika
Tworzywo sztuczne
Minimalna temperatura medium (ciągła) [°C]
-10
Napięcie łączeniowe
1 x 230 V
Nominalna średnica wewnętrzna
DN 32
Pobór mocy przez pompę (solpump) [W]
160
Pobór mocy przez pompę w trybie czuwania (solstandbypump) [W]
7
Pobór mocy silnika (P1) [W]
160
Prąd znamionowy [A]
1,1
Prędkość obrotowa [obr/min]
3550
Regulacja obrotów silnika
Wbudowany
Rodzaj połączenia
Kołnierz
Rozmiar przyłącza korpusu pompy
DN 32
Stopień ochrony (IP)
IPX4D
Szerokość 1 [mm]
75
Szerokość 2 [mm]
120
Wskaźnik efektywności energetycznej (EEI)
0,18
Wysokość podnoszenia przy nominalnym przepływie [kPa]
0
Do pobrania
Dane logistyczne
Opakowanie zbiorcze 1
Długość [m]
0,6
Szerokość [m]
0,4
Wysokość [m]
0,394







