Wilo-Stratos GIGA B 32/1-51/4,5-R1 pompa dławnicowa blokowa, silnik klasy IE5
Budowa:
*Jednostopniowa niskociśnieniowa pompa wirowa z niedzielonym wałem o konstrukcji blokowej, ze stopą na korpusie pompy
*Wymiary kołnierza i korpusu zgodnie z normą EN 733
*Kołnierze PN 16 - nawiercone zgodnie z EN 1092-2
*Przyłącza pomiarowe ciśnienia (R 1/8) do zamontowanego czujnika różnicy ciśnień (wersja ...-R1 bez czujnika różnicy ciśnień)
*Korpus pompy i kołnierz silnika standardowo z powłoką kataforetyczną
*Uszczelnienie mechaniczne do tłoczenia wody o temperaturze do Tmax. = +140 oC. Do T ≤ +40 oC dopuszczalna jest domieszka glikolu od 20 % do 40 % objętości. W przypadku mieszanin woda/glikol z zawartością glikolu > 40 % max. do 50 % objętości i o temperaturze przetłaczanej cieczy od > +40 oC do max. +120 oC lub mediów innych niż woda należy zastosować alternatywne uszczelnienie mechaniczne.
*Napięcie zasilania 3~ 480 V ±10 %, 50/60 Hz, 3~ 440 V ±10 %, 50/60 Hz, 3~ 400 V ±10 %, 50/60 Hz, 3~ 380 V -5 % +10 %, 50/60 Hz
Wyposażenie dodatkowe:
*Konsole do mocowania na fundamencie
*Zestawy czujników różnicy ciśnień 0 - 10 V do pomp w wersji ...-R1
*IR-Monitor
*IR-Stick
*IF-Moduł PLR
*IF-Moduł LON
*IF-Moduł Modbus
*IF-Moduł BACnet
*IF-Moduł CAN
Wyposażenie standardowe:
*Poziom obsługi ręcznej za pomocą zielonego pokrętła z następującymi funkcjami:
**Włączanie/wyłączanie pompy
**Wybór rodzaju regulacji: Δp-c (stała różnica ciśnień), Δp-v (zmienna różnica ciśnień), regulator PID, n-constant (tryb regulacji ręcznej)
**Ustawienie wartości zadanej lub prędkości obrotowej
**Konfiguracja parametrów roboczych
**Potwierdzenie błędu
*Wyświetlacz pompy wskazujący:
**Tryb regulacji
**Wartość zadaną (np. różnicy ciśnień lub prędkości obrotowej)
**Komunikaty o błędach i komunikaty ostrzegawcze
**Wartości rzeczywiste (np. poboru mocy, wartości rzeczywistej czujnika)
**Dane robocze (np. godziny pracy, zużycie energii)
**Dane dotyczące stanu (np. stan przekaźnika SSM i SBM)
**Dane urządzenia (np. nazwa pompy)
**Rodzaj pracy (tylko w zastosowaniu z trójnikiem rurowym: Praca/rezerwa, tryb pracy z dołączaniem)
Funkcje dodatkowe:
*Interfejsy analogowe 0-10 V, 2-10 V, 0-20 mA, 4-20 mA, zintegrowany system zarządzania pracą pomp podwójnych do zastosowania w kształtce rozgałęźnej, dwa przekaźniki sygnalizacji pracy i awarii z możliwością konfiguracji, konfigurowana reakcja w przypadku usterki dostosowana do instalacji grzewczych i klimatyzacyjnych, blokada dostępu na pompie, wbudowane pełne zabezpieczenie silnika (czujnik termistorowy) z wyzwalaczem elektronicznym, standardowe otwory odpływowe kondensatu w korpusie silnika (w stanie fabrycznym zamknięte), złącze na podczerwień do bezprzewodowej komunikacji z urządzeniem kontrolno-serwisowym Wilo-IR-Moduł i Wilo-IR-Stick, gniazdo do IF-Modułów Wilo Modbus, BACnet, CAN, PLR, LON do podłączenia do automatyki budynku
Dane eksploatacyjne
*temperatura przetłaczanej cieczy: -20 oC
*temperatura otoczenia: 0 oC
*Maks. ciśnienie robocze: 16 bar
*: 16 bar do 120oC, 13 bar do 140oC
*Wskaźnik minimalnej energochłonności (MEI): 0,7
Dane silnika
*Klasa sprawności energetycznej silnika:
*Generowanie zakłóceń:
*Odporność na zakłócenia:
*Przyłącze sieciowe: 3~380 V, 50/60 Hz 3~400 V, 50/60 Hz 3~440 V, 50/60 Hz 3~480 V, 50/60 Hz
*Moc znamionowa : 4500
*Prędkość obrotowa maks.: 4600 Obroty / min
*Prąd znamionowy: 8,1 A
*Klasa izolacji: F
*Stopień ochrony silnika:
*Zabezpieczenie silnika:
Materiały
*Korpus pompy: 5.1301, KTL-beschichtet
*Wirnik:
*Wał: Stal nierdzewna
*Uszczelnienie wału: AQ1EGG
*Latarnia: 5.1301, KTL-beschichtet
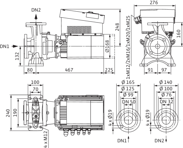
Wymiary montażowe
*Przyłącze gwintowane po stronie ssawnej: DN 50
*Przyłącze gwintowane po stronie tłocznej: DN 32
Informacje na temat umiejscowienia zamówień
*Produkt:
*Nazwa produktu: Stratos GIGA B 32/1-51/4,5-R1
*Masa netto ok.: 40 kg
*Numer artykułu: 2189126
Dane techniczne
Częstotliwość
50/60 Hz
Długość pompy [mm]
547
Gatunek materiału korpusu pompy
Żeliwo GG 25
Gatunek materiału wirnika
PP-GF
Klasa ciśnienia kołnierza przyłącza wlotowego
PN 16
Klasa ciśnienia kołnierza przyłącza wylotowego
PN 16
Klasa efektywności energetycznej silnika
IE5
Klasa izolacji wg IEC
F
Kształt końcówki
Okrągły
Liczba faz
3
Maks. ciśnienie robocze [bar]
16
Maks. wydajność (maks. przepływ) [m³/h]
35
Maks. wysokość podnoszenia [m]
51
Materiał korpusu pompy
Żeliwo
Materiał wirnika
Polipropylen
Moc oddawana silnika (P2) [kW]
4,2
Odległość między osiami przyłącza ssawnego/tłocznego [mm]
80
Przepływ nominalny (BEP) [m³/h]
25,95
Przyłącze od strony wlotowej
Kołnierz
Przyłącze po stronie wylotowej
Kołnierz
Prąd znamionowy [A]
8,1
Prędkość obrotowa [obr/min]
4600
Rodzaj napędu
Elektryczny
Rodzaj przyłącza wlotowego
EN 1092-2
Rodzaj przyłącza wylotowego
EN 1092-2
Stopień ochrony (IP)
IP55
Temperatura otoczenia [°C]
40
Wskaźnik minimalnej sprawności (MEI)
0,7
Wysokość części tłoczącej [mm]
276
Wysokość części zasysającej [mm]
132
Wysokość podnoszenia przy przepływie nominalnym (BEP) [kPa]
412,08
Zakres napięcia znamionowego [V]
400
Średnica nominalna przyłącza od strony wlotowej
DN 50
Średnica nominalna przyłącza od strony wylotowej
DN 32
Średnica zewnętrzna przyłącza od strony wylotowej [mm]
32
Do pobrania
Dane logistyczne
Opakowanie zbiorcze 1
Długość [m]
0,795
Szerokość [m]
0,515
Wysokość [m]
0,615







