Instalatorze, możesz zamówić kotły Vaillant ecoTEC pro za punkty PIK!
 

Wilo-MVIS 410-1/16/K/3-400-50-2 wysokociśnieniowa cicha pompa do wody

Kod IK

812009050

Kod EAN

4016322311461

Kod producenta

2009050

Marka

WILO

Model

Multivert MVISE

Cena katalogowa netto

3 414 EUR / szt.

Cena katalogowa brutto

4 199,22 EUR / szt.

Wielostopniowa, normalnie zasysająca, pionowa, wysokociśnieniowa pompa wirowa o konstrukcji typu Inline z trójfazowym silnikiem bezdławnicowym pompy.



Samoodpowietrzająca pompa o konstrukcji kompaktowej dysponuje bezstopniowym wałem silnika/pompy oraz łożyskiem po stronie silnika. Wszystkie części hydrauliczne i mające kontakt z medium są wykonane ze stali nierdzewnej. Podłączenie za pomocą kołnierzy owalnych.



Pompa jest przeznaczona do zaopatrzenia w wodę i podwyższania ciśnienia.



Cechy szczególne/zalety produktu

*Technologia bezdławnicowa

*Niemal bezgłośna praca (urządzenie nawet o 20 dB(A) cichsze niż konwencjonalne pompy)

*Kompaktowa konstrukcja o niewielkich wymogach przestrzennych

*Niemal niewymagający konserwacji dzięki konstrukcji bez użycia uszczelnień mechanicznych



Zakres dostawy

*Wysokociśnieniowa pompa wirowa Wilo-Multivert MVIS

*Instrukcja montażu i obsługi

*Przeciwkołnierze z żeliwa szarego i odpowiednie śruby, nakrętki i uszczelki



Wskazówki odnośnie do konstrukcji

*Opcjonalne, wkładane moduły IF



Dane eksploatacyjne
Dane produktu
*Min. temperatura przetłaczanej cieczy: -15 oC
*Maks. temperatura przetłaczanej cieczy: 50 oC
*Maks. temperatura otoczenia: 40 oC
*Maks. ciśnienie robocze: 16 bar
*Ciśnienie na dopływie: 10 bar
Dane silnika
*Przyłącze sieciowe:
*Tolerancja napięcia:
*Znamionowa moc silnika: 2200
*Prąd znamionowy: 9,7 A
*Znamionowa prędkość obrotowa: 2900 Obroty / min
*Klasa izolacji: F
*Stopień ochrony:
Materiały
*Korpus pompy: Stal nierdzewna
*Wirnik: Stal nierdzewna
*Wał: Stal nierdzewna
*Materiał uszczelnienia:
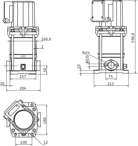
Wymiary montażowe
*Przyłącze gwintowane po stronie ssawnej: G 1¼
*Przyłącze gwintowane po stronie tłocznej: G 1¼
Informacje na temat umiejscowienia zamówień
*Produkt:
*Nazwa produktu: Multivert MVIS 410
*Masa netto ok.: 29,5 kg
*Numer artykułu: 2009050

Dane techniczne

Częstotliwość

50 Hz

Gatunek materiału korpusu pompy

Stal nierdzewna 304

Gatunek materiału połączenia

Stal nierdzewna 304

Gatunek materiału wirnika

Stal nierdzewna 304

Klasa ciśnienia kołnierza przyłącza wlotowego

PN 16

Klasa ciśnienia kołnierza przyłącza wylotowego

PN 16

Klasa izolacji wg IEC

F

Kształt końcówki

Inne

Liczba faz

3

Maks. ciśnienie robocze [bar]

16

Maks. wydajność (maks. przepływ) [m³/h]

8

Maks. wysokość podnoszenia [m]

105,6

Materiał korpusu pompy

Stal nierdzewna

Materiał połączenia

Stal nierdzewna

Materiał wirnika

Stal nierdzewna

Moc oddawana silnika (P2) [kW]

2,2

Przyłącze od strony wlotowej

Gwint wewnętrzny gazowy walcowy

Przyłącze po stronie wylotowej

Gwint wewnętrzny gazowy walcowy

Prąd znamionowy [A]

9,7

Prędkość obrotowa [obr/min]

2900

Rodzaj przyłącza wlotowego

ISO 228-1

Rodzaj przyłącza wylotowego

ISO 228-1

Stopień ochrony (IP)

IP44

Wskaźnik minimalnej sprawności (MEI)

0,4

Zakres napięcia znamionowego [V]

400

Średnica nominalna przyłącza od strony wlotowej

1 1/4 cala

Średnica nominalna przyłącza od strony wylotowej

1 1/4 cala

Średnica zewnętrzna przyłącza od strony wylotowej [mm]

32

Dane logistyczne

Opakowanie zbiorcze 1

Długość [m]

0,395

Szerokość [m]

0,395

Wysokość [m]

0,645