Wilo-Medana CH1-L.1605-1/E/E/10T wysokociśnieniowa pozioma pompa do wody
Normalnie zasysająca pompa wirowa o konstrukcji poziomej o wysokiej wydajności hydraulicznej. Jej kompaktowa i wytrzymała konstrukcja z elementami odpornymi na korozję oraz możliwościami zastosowania w temperaturach otoczenia do 50 °C zapewniają szeroki obszar zastosowania do integracji w dużych systemach.
Pompa jest przeznaczona do zaopatrzenia w wodę i podwyższenia ciśnienia, przemysłowych instalacji cyrkulacyjnych, obiegów procesowych i wody chłodzącej. Może być również stosowana w myjniach i do nawadniania.
Cechy szczególne/zalety produktu
- Łatwe i szybkie uruchomienie oraz konserwacja dzięki otworom do napełniania i opróżniania pompy
- Wysoka niezawodność ze względu na wytrzymałość i niskie dźwięki dzięki pierścieniowi ściernemu i odpornym na korozję latarniom z powłoką kataforetyczną
- Kompaktowa konstrukcja dla prostej integracji
- Wszystkie części hydrauliczne i części mające kontakt z medium, takie jak komory stopniowe, wirniki, kierownice przepływowe i korpus pompy, są wykonane ze stali nierdzewnej
- Dopuszczenie do stosowania z wodą użytkową na wszystkie części mające kontakt z medium (wersja EPDM)
- Spełnia zalecenia certyfikacji UL
Zakres dostawy
- Pompa
- Instrukcja montażu i obsługi
Dane techniczne
Częstotliwość
50 Hz
Gatunek materiału korpusu pompy
Stal nierdzewna 304
Gatunek materiału połączenia
Stal nierdzewna 304
Gatunek materiału wirnika
Stal nierdzewna 304
Klasa ciśnienia kołnierza przyłącza wlotowego
PN 10
Klasa ciśnienia kołnierza przyłącza wylotowego
PN 10
Klasa efektywności energetycznej silnika
IE3
Klasa izolacji wg IEC
F
Kształt końcówki
Inne
Liczba faz
3
Maks. ciśnienie robocze [bar]
10
Maks. wydajność (maks. przepływ) [m³/h]
20,71
Maks. wysokość podnoszenia [m]
66,04
Materiał korpusu pompy
Stal nierdzewna
Materiał połączenia
Stal nierdzewna
Materiał wirnika
Stal nierdzewna
Moc oddawana silnika (P2) [kW]
3
Przyłącze od strony wlotowej
Gwint wewnętrzny cylindryczny BSPT-Rp
Przyłącze po stronie wylotowej
Gwint wewnętrzny cylindryczny BSPT-Rp
Prąd znamionowy [A]
6,6
Prędkość obrotowa [obr/min]
2900
Rodzaj przyłącza wlotowego
ISO 7-1 / EN 10226-1
Rodzaj przyłącza wylotowego
ISO 7-1 / EN 10226-1
Stopień ochrony (IP)
IP55
Wskaźnik minimalnej sprawności (MEI)
0,7
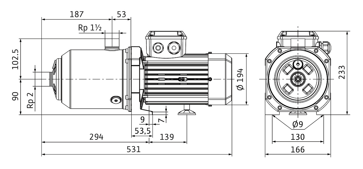
Wysokość pompy [mm]
90
Zakres napięcia znamionowego [V]
400
Średnica nominalna przyłącza od strony wlotowej
2 cale
Średnica nominalna przyłącza od strony wylotowej
1 1/2 cala
Średnica zewnętrzna przyłącza od strony wylotowej [mm]
40
Dane logistyczne
Opakowanie zbiorcze 1
Długość [m]
0,6
Szerokość [m]
0,26
Wysokość [m]
0,28







