Wilo-Medana CH1-L.1004-1/E/E/10T wysokociśnieniowa pozioma pompa do wody
Dane techniczne
Częstotliwość
50 Hz
Gatunek materiału korpusu pompy
Stal nierdzewna 304
Gatunek materiału połączenia
Stal nierdzewna 304
Gatunek materiału wirnika
Stal nierdzewna 304
Klasa ciśnienia kołnierza przyłącza wlotowego
PN 10
Klasa ciśnienia kołnierza przyłącza wylotowego
PN 10
Klasa efektywności energetycznej silnika
IE3
Klasa izolacji wg IEC
F
Kształt końcówki
Inne
Liczba faz
3
Maks. ciśnienie robocze [bar]
10
Maks. wydajność (maks. przepływ) [m³/h]
14,71
Maks. wysokość podnoszenia [m]
51,23
Materiał korpusu pompy
Stal nierdzewna
Materiał połączenia
Stal nierdzewna
Materiał wirnika
Stal nierdzewna
Moc oddawana silnika (P2) [kW]
1,85
Przyłącze od strony wlotowej
Gwint wewnętrzny cylindryczny BSPT-Rp
Przyłącze po stronie wylotowej
Gwint wewnętrzny cylindryczny BSPT-Rp
Prąd znamionowy [A]
4
Prędkość obrotowa [obr/min]
2900
Rodzaj przyłącza wlotowego
ISO 7-1 / EN 10226-1
Rodzaj przyłącza wylotowego
ISO 7-1 / EN 10226-1
Stopień ochrony (IP)
IP55
Wskaźnik minimalnej sprawności (MEI)
0,7
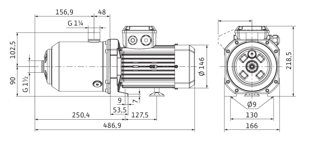
Wysokość pompy [mm]
90
Zakres napięcia znamionowego [V]
400
Średnica nominalna przyłącza od strony wlotowej
1 1/2 cala
Średnica nominalna przyłącza od strony wylotowej
1 1/4 cala
Średnica zewnętrzna przyłącza od strony wylotowej [mm]
32
Dane logistyczne
Opakowanie zbiorcze 1
Długość [m]
0,6
Szerokość [m]
0,26
Wysokość [m]
0,28







