Wilo-Jet WJ 203 X (3~230/400 V) pompa samozasysająca do wody deszczowej
Samozasysająca, jednostopniowa pompa Jet służy do zaopatrywania w wodę, deszczowni, wykorzystania wody deszczowej.
Samozasysająca moc pompy do 8 m dzięki wbudowanemu systemowi Venturi.
Wilo-WJ-X jest dzięki wbudowanemu włącznikowi/wyłącznikowi łatwa w obsłudze.
Gotowy do podłączenia dzięki kablowi zasilającemu (2 m) z odpornym na uderzenia gniazdkiem wtykowym ze zestykiem ochronnym.
Podłączenie dla wersji trójfazowych poprzez skrzynkę zaciskową.
Wszystkie części mające kontakt z medium są odporne na korozję.
Materiały
*Korpus pompy: Stal nierdzewna
*Wał: Stal nierdzewna
*Uszczelnienie wału: CVPFF
*Materiał uszczelnienia:
*Wirnik: Stal nierdzewna
Dane eksploatacyjne
*Min. temperatura przetłaczanej cieczy: 5 oC
*Maks. temperatura przetłaczanej cieczy: 35 oC
*Maks. ciśnienie robocze: 10 bar
*Przyłącze ciśnieniowe: G 1
*Maks. temperatura otoczenia: 40 oC
Dane silnika
*Przyłącze sieciowe:
*Tolerancja napięcia:
*Znamionowa moc silnika: 750
*Prąd znamionowy: 3,1 A
*Znamionowa prędkość obrotowa: 2900 Obroty / min
*Klasa izolacji: B
*Stopień ochrony:
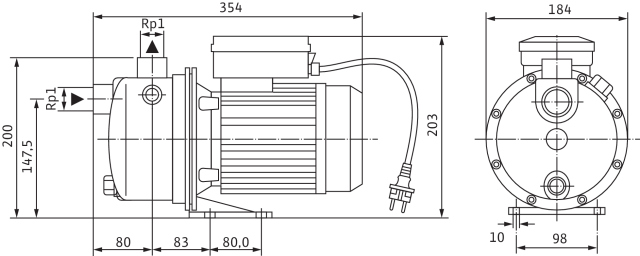
Wymiary montażowe
*Przyłącze gwintowane po stronie ssawnej: G 1
*Przyłącze gwintowane po stronie tłocznej: G 1
Informacje na temat umiejscowienia zamówień
*Masa netto ok.: 9,6 kg
*Produkt:
*Nazwa produktu: Jet WJ 203 X (3~230/400 V)
*Numer artykułu: 4212734
Dane techniczne
Częstotliwość
50 Hz
Gatunek materiału korpusu pompy
Stal nierdzewna 304
Gatunek materiału połączenia
Stal nierdzewna 304
Gatunek materiału wirnika
Stal nierdzewna 304
Klasa ciśnienia kołnierza przyłącza wlotowego
PN 10
Klasa ciśnienia kołnierza przyłącza wylotowego
PN 10
Klasa efektywności energetycznej silnika
IE3
Klasa izolacji wg IEC
B
Kształt końcówki
Inne
Liczba faz
3
Maks. ciśnienie robocze [bar]
6
Maks. wydajność (maks. przepływ) [m³/h]
5
Maks. wysokość podnoszenia [m]
41,81
Materiał korpusu pompy
Stal nierdzewna
Materiał połączenia
Stal nierdzewna
Materiał wirnika
Stal nierdzewna
Moc oddawana silnika (P2) [kW]
0,75
Przyłącze od strony wlotowej
Gwint zewnętrzny gazowy walcowy
Przyłącze po stronie wylotowej
Gwint zewnętrzny gazowy walcowy
Prąd znamionowy [A]
3,1
Prędkość obrotowa [obr/min]
2900
Rodzaj przyłącza wlotowego
ISO 228-1
Rodzaj przyłącza wylotowego
ISO 228-1
Stopień ochrony (IP)
IP44
Wysokość pompy [mm]
147,5
Zakres napięcia znamionowego [V]
400
Średnica nominalna przyłącza od strony wlotowej
1 cal
Średnica nominalna przyłącza od strony wylotowej
1 cal
Średnica zewnętrzna przyłącza od strony wylotowej [mm]
25
Do pobrania
Dane logistyczne
Opakowanie zbiorcze 1
Jednostka zbiorcza opak.
szt
Ilość
1
Masa brutto [kg]
10,6
Długość [m]
0,374
Szerokość [m]
0,2
Wysokość [m]
0,272
Opakowanie zbiorcze 3
Jednostka zbiorcza opak.
opak







