Wilo-HiMulti 3 H 100/2-24 P pompa do wody deszcz., pitnej, samozasys., sterownik, zbiornik ciśn.100l
Urządzenie zaopatrujące w wodę do tłoczenia wody deszczowej i przemysłowej ze zbiorników, stawów, strumieni i studni
Do zaopatrzenia w wodę, nawadniania, zraszania i podlewania w zastosowaniach domowych
Fabrycznie zamontowana i okablowana jednostka, złożona z wielostopniowej, poziomej pompy wirowej w wersji dławnicowej, samozasysająca, z silnikiem z bezpośrednim przyłączem kołnierzowym (uszczelnienie przepustu wałowego w postaci niewymagającego konserwacji uszczelnienia mechanicznego) oraz z ciśnieniowym naczyniem przeponowym
Zbiornik ciśnieniowy wyposażony jest w nowoczesną, wytrzymałą i wymienną membranę z materiału „Butyl+” o wysokiej jakości. Nie wymaga konserwacji ani uzupełniania w okresie gwarancji.
Dwubiegunowy silnik jednofazowy z dławikiem przewodu, kondensatorem w skrzynce przyłączowej, wyłącznikiem zabezpieczenia silnika z automatycznym ponownym włączeniem, manometrem, przełącznikiem ciśnieniowym, elastycznym wężem ciśnieniowym i przewodem sieciowym z wtyczką
*Zakres dostawy
*Pompa
*Przełącznik ciśnieniowy
*Manometr
*Ciśnieniowe naczynie przeponowe
*Wąż ciśnieniowy z płaszczem stalowym i przyłączem gwintowanym
*Złączka z tworzywa sztucznego z uszczelkami do ręcznego podłączania do rury doprowadzającej
*Przewód z szybkozłączem elektrycznym
*Instrukcja montażu i obsługi
*Wyposażenie dodatkowe
*HiControl 1
*HiControl 1-EK
*Wyłącznik pływakowy WA 65
*Wyłącznik pływakowy WAEK 65
*Wyłącznik pływakowy WAO 65
*Wyłącznik pływakowy WAO EK 65
*Zabezpieczenie przed suchobiegiem do silnika jednofazowego (G11/4)
Dane eksploatacyjne
Dane produktu
*Maks. ciśnienie robocze: 8 bar
*Min. temperatura przetłaczanej cieczy: 0 oC
*Maks. temperatura przetłaczanej cieczy: 40 oC
*Maks. temperatura otoczenia: 40 oC
*Pojemność brutto membranowego zbiornika wyrównawczego: 100 l
Materiały
*Wirnik:
*Uszczelnienie wału: Q1Q1VGG
*Materiał komora stopniowa:
*Korpus pompy:
Dane silnika
*Przyłącze sieciowe:
*Tolerancja napięcia:
*Znamionowa moc silnika: 400
*Prąd znamionowy: 3 A
*Znamionowa prędkość obrotowa: 2900 Obroty / min
*Klasa izolacji: F
*Stopień ochrony:
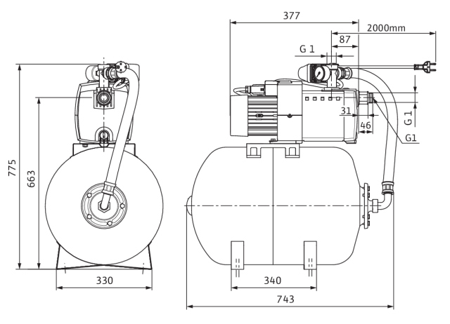
Wymiary montażowe
*Przyłącze gwintowane po stronie ssawnej: G 1
*Przyłącze gwintowane po stronie tłocznej: G 1
Informacje na temat umiejscowienia zamówień
*Produkt:
*Nazwa produktu: HiMulti 3 H 100/2-24 P
*Masa netto ok.: 18,4 kg
*Numer artykułu: 2549343
Dane techniczne
Częstotliwość
50 Hz
Gatunek materiału korpusu pompy
Inne
Gatunek materiału połączenia
Inne
Gatunek materiału wirnika
PP-GF
Klasa ciśnienia kołnierza przyłącza wlotowego
PN 7
Klasa ciśnienia kołnierza przyłącza wylotowego
PN 7
Klasa izolacji wg IEC
F
Kształt końcówki
Inne
Liczba faz
1
Maks. ciśnienie robocze [bar]
8
Maks. wydajność (maks. przepływ) [m³/h]
5,25
Maks. wysokość podnoszenia [m]
38,88
Materiał korpusu pompy
Inne
Materiał połączenia
Inne
Materiał wirnika
Polipropylen
Moc oddawana silnika (P2) [kW]
0,4
Przyłącze od strony wlotowej
Gwint zewnętrzny gazowy walcowy
Przyłącze po stronie wylotowej
Gwint zewnętrzny gazowy walcowy
Prąd znamionowy [A]
2,7
Prędkość obrotowa [obr/min]
2900
Rodzaj przyłącza wlotowego
ISO 228-1
Rodzaj przyłącza wylotowego
ISO 228-1
Stopień ochrony (IP)
Inne
Wysokość pompy [mm]
663
Zakres napięcia znamionowego [V]
230
Średnia temperatura (praca ciągła) [°C]
40
Średnica nominalna przyłącza od strony wlotowej
1 cal
Średnica nominalna przyłącza od strony wylotowej
1 cal
Średnica zewnętrzna przyłącza od strony wlotowej [mm]
25
Średnica zewnętrzna przyłącza od strony wylotowej [mm]
25







