Wilo-HiMulti 3 C 1-44 P pompa do wody deszczowej i pitnej, samozasysająca, ze sterownikiem
Do tłoczenia i podwyższania ciśnienia wody użytkowej lub wody lekko zanieczyszczonej w obszarze mieszkalnym i rolniczym oraz w innych obszarach.
Zapatrzenie w wodę ze studni, cystern, innych miejskich systemów zaopatrzenia w wodę, miejskiej sieci wodociągowej itd. w celu nawadniania, zraszania, podwyższania ciśnienia itd.
Dwubiegunowy silnik jednofazowy z dławikiem przewodu, kondensatorem w skrzynce przyłączowej, wyłącznikiem zabezpieczenia silnika z automatycznym ponownym włączeniem, zabezpieczeniem przed brakiem wody.
Zakres dostawy
*Pompa
*Układ sterowania pompą HiControl 1
*Dwie złączki z tworzywa sztucznego z uszczelkami do ręcznego podłączania do rur doprowadzających
*Przewód z szybkozłączem elektrycznym
*Instrukcja montażu i obsługi
Materiały
*Wał: Stal nierdzewna
*Uszczelnienie wału: BVPFF
*Materiał uszczelnienia:
*Materiał komora stopniowa:
Dane eksploatacyjne
*Min. temperatura przetłaczanej cieczy: 0 oC
*Maks. temperatura przetłaczanej cieczy: 40 oC
*Maks. ciśnienie robocze: 8 bar
*Przyłącze ciśnieniowe: G 1
*Maks. temperatura otoczenia: 40 oC
Dane silnika
*Przyłącze sieciowe:
*Tolerancja napięcia:
*Znamionowa moc silnika: 600
*Prąd znamionowy: 3,8 A
*Znamionowa prędkość obrotowa: 2900 Obroty / min
*Klasa izolacji: F
*Stopień ochrony:
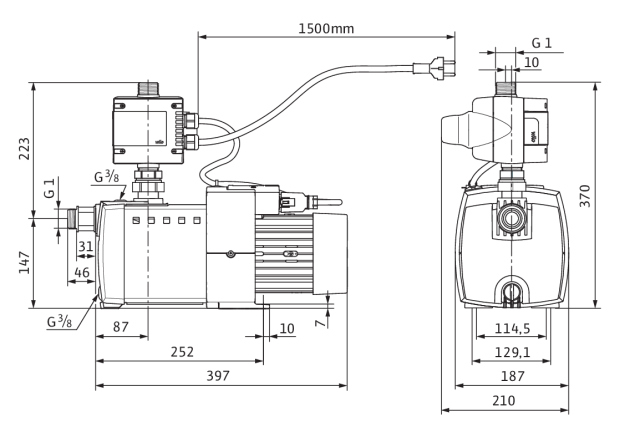
Wymiary montażowe
*Przyłącze gwintowane po stronie ssawnej: G 1
*Przyłącze gwintowane po stronie tłocznej: G 1
Informacje na temat umiejscowienia zamówień
*Masa netto ok.: 14,6 kg
*Produkt:
*Nazwa produktu: HiMulti 3 C 1-44 P
*Numer artykułu: 2543601
Dane techniczne
Częstotliwość
50 Hz
Gatunek materiału korpusu pompy
Inne
Gatunek materiału połączenia
Inne
Gatunek materiału wirnika
PP-GF
Klasa ciśnienia kołnierza przyłącza wlotowego
PN 7
Klasa ciśnienia kołnierza przyłącza wylotowego
PN 7
Klasa izolacji wg IEC
F
Kształt końcówki
Inne
Liczba faz
1
Maks. ciśnienie robocze [bar]
8
Maks. wydajność (maks. przepływ) [m³/h]
6,65
Maks. wysokość podnoszenia [m]
42,4
Materiał korpusu pompy
Inne
Materiał połączenia
Inne
Materiał wirnika
Polipropylen
Moc oddawana silnika (P2) [kW]
0,6
Przyłącze od strony wlotowej
Gwint zewnętrzny gazowy walcowy
Przyłącze po stronie wylotowej
Gwint zewnętrzny gazowy walcowy
Prąd znamionowy [A]
3,8
Prędkość obrotowa [obr/min]
2900
Rodzaj przyłącza wlotowego
ISO 228-1
Rodzaj przyłącza wylotowego
ISO 228-1
Stopień ochrony (IP)
Inne
Wysokość pompy [mm]
147
Zakres napięcia znamionowego [V]
230
Średnia temperatura (praca ciągła) [°C]
40
Średnica nominalna przyłącza od strony wlotowej
1 cal
Średnica nominalna przyłącza od strony wylotowej
1 cal
Średnica zewnętrzna przyłącza od strony wlotowej [mm]
25
Średnica zewnętrzna przyłącza od strony wylotowej [mm]
25
Do pobrania
Dane logistyczne
Opakowanie zbiorcze 1
Długość [m]
0,48
Szerokość [m]
0,3
Wysokość [m]
0,5







