Wilo-Atmos GIGA-B 150/220-15/4 pompa obiegowa blokowa
Jednostopniowa dławnicowa pompa wirowa o konstrukcji blokowej do ustawienia na fundamencie.
Odporna na drgania, zapewniająca cichą pracę konstrukcja blokowa z latarnią i sztywno połączonym silnikiem standardowym (silnik znormalizowany).
Z wymuszonym opływem, niezależnym od kierunku obrotów mieszkowym uszczelnieniem mechanicznym (od 37 kW/4-bieg. opcjonalnie z kasetowym uszczelnieniem mechanicznym w systemie cofki do wymiany uszczelnienia mechanicznego bez demontażu silnika) oraz wirnikiem redukującym kawitację.
Kołnierze z przyłączami pomiarowymi ciśnienia R 1/8. Korpus pompy i latarnia z powłoką kataforetyczną.
W wersji standardowej silniki w klasie IE3. Pompy z silnikami ≥ 5,5 kW są seryjnie wyposażone w czujniki termistorowe jako zabezpieczenie silnika.
Dane eksploatacyjne
*temperatura przetłaczanej cieczy: -20 oC
*temperatura otoczenia: -15 oC
*Maks. ciśnienie robocze: 16 bar
*: 16 bar do 120oC, 13 bar do 140oC
*Wskaźnik minimalnej energochłonności (MEI): 0,4
Dane silnika
*Klasa sprawności energetycznej silnika:
*Przyłącze sieciowe:
*Tolerancja napięcia:
*Moc znamionowa : 15000
*Znamionowa prędkość obrotowa: 1450 Obroty / min
*Prąd znamionowy: 29,8 A
*Współczynnik mocy: 0,81
*Sprawność silnika ηm 50 %: 90,7
*Sprawność silnika ηm 75 %: 91,7
*Sprawność silnika ηm 100 %: 91,7
*Klasa izolacji: F
*Stopień ochrony:
Materiały
*Korpus pompy: 5.1301, KTL-beschichtet
*Wirnik:
*Wał: Stal nierdzewna
*Uszczelnienie wału: AQ1EGG
*Latarnia: 5.1301, KTL-beschichtet
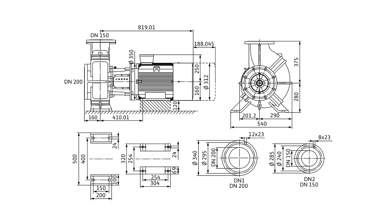
Wymiary montażowe
*Przyłącze gwintowane po stronie ssawnej: DN 200
*Przyłącze gwintowane po stronie tłocznej: DN 150
Informacje na temat umiejscowienia zamówień
*Produkt:
*Nazwa produktu: CronoBloc-BL 150/220-15/4
*Masa netto ok.: 282 kg
*Numer artykułu: 2151505
Dane techniczne
Częstotliwość
50 Hz
Długość pompy [mm]
979
Gatunek materiału korpusu pompy
Żeliwo GG 25
Gatunek materiału wirnika
Żeliwo GG 20
Klasa ciśnienia kołnierza przyłącza wlotowego
PN 16
Klasa ciśnienia kołnierza przyłącza wylotowego
PN 16
Klasa efektywności energetycznej silnika
IE3
Klasa izolacji wg IEC
F
Kształt końcówki
Okrągły
Liczba faz
3
Maks. ciśnienie robocze [bar]
16
Materiał korpusu pompy
Żeliwo
Materiał wirnika
Żeliwo
Moc oddawana silnika (P2) [kW]
15
Odległość między osiami przyłącza ssawnego/tłocznego [mm]
160
Przyłącze od strony wlotowej
Kołnierz
Przyłącze po stronie wylotowej
Kołnierz
Prąd znamionowy [A]
29,8
Prędkość obrotowa [obr/min]
1450
Rodzaj napędu
Elektryczny
Rodzaj przyłącza wlotowego
EN 1092-2
Rodzaj przyłącza wylotowego
EN 1092-2
Silnik standardowy
Tak
Stopień ochrony (IP)
IP55
Wskaźnik minimalnej sprawności (MEI)
0,4
Wysokość części zasysającej [mm]
280
Zakres napięcia znamionowego [V]
400
Średnica nominalna przyłącza od strony wlotowej
DN 200
Średnica nominalna przyłącza od strony wylotowej
DN 150
Średnica zewnętrzna przyłącza od strony wylotowej [mm]
150







