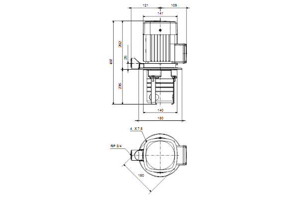
Wielostopniowa, odśrodkowa pompa zanurzana do pionowego montażu w zbiornikach MTH2-8/8 A-W-A-AQQV 230/400V 50/60
MTH 2-8/8 A-W-A-AQQV
Wielostopniowa, odśrodkowa pompa zanurzana
do pionowego montażu w zbiornikach.
Opis pompy:
- Długość montażowa zgodna z DIN 5440.
- wirniki, komory pośrednie i wał wykonane
są Stainless steel.
- Uszczelnienie mechaniczne zgodne z EN 12756.
Pompa jest połączona z silnikiem 3-fazowym.
Układy sterowania:
| Frequency converter: | Br
Dane logistyczneOpakowanie zbiorcze 1 Jednostka zbiorcza opak. warstwa Opakowanie zbiorcze 2 Jednostka zbiorcza opak. paleta |








