Stopa sprzęgająca żeliwo dł.250mm szer.350mm WILO
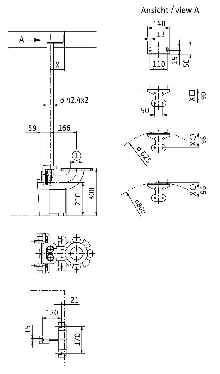
*Kolano ze stopą z prowadnicą dwururową
*Kołnierz sprzęgający do montażu na przyłączu ciśnieniowym
*Uszczelka profilowa
*Materiał montażowy
Dwie prowadnice (42,4x2 mm) zapewnia Użytkownik!
Dane techniczne
*Przyłącze wejścia: DN 80
*Przyłącze wyjścia: DN 80
*Materiał : EN-GJL-250
*Masa: 20 kg
*Produkt:
*Nr art.: 6082333
Dane techniczne
Długość [mm]
250
Materiał
Żeliwo
Nominalna średnica wewnętrzna przyłącza pompy
Inne
Nominalna średnica wewnętrzna rury łączeniowej
DN 80
Rodzaj akcesorium
Stopa sprzęgająca
Szerokość [mm]
350
Do pobrania
Dane logistyczne
Opakowanie zbiorcze 1
Długość [m]
0,265
Szerokość [m]
0,4
Wysokość [m]
0,58







