Instalatorze, możesz zamówić kotły Vaillant ecoTEC pro za punkty PIK!
 

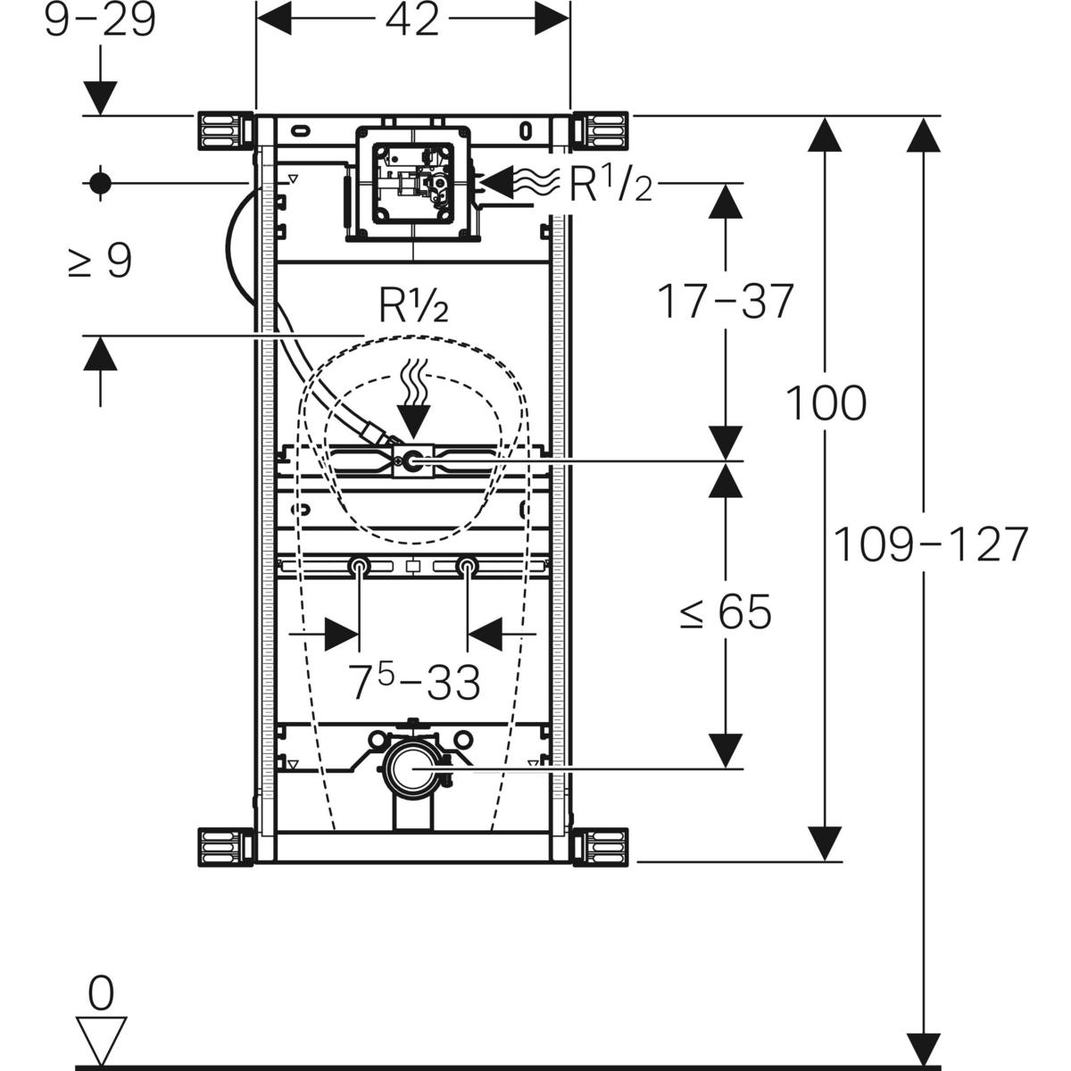
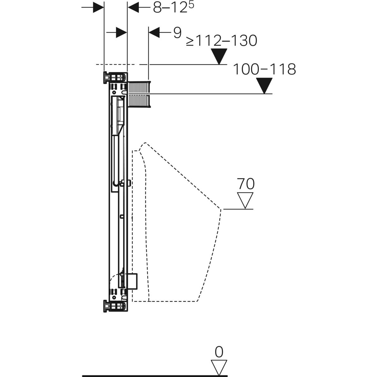
Stelaż podtynkowy Geberit Kombifix do pisuaru, 109–127 cm, uniwersalny, do głowicy tryskaczowej

Kod IK

19457.606.00.1

Kod EAN

4025416543596

Kod producenta

457.606.00.1

Marka

GEBERIT

Model

Kombifix

Cena katalogowa netto

1 492,50 zł / szt.

Cena katalogowa brutto

1 835,78 zł / szt.

Zastosowanie: Do zabudowy ciężkiej Do montażu w ściankach instalacyjnych o częściowej wysokości lub wysokości pomieszczenia Do montażu pisuarów Do pisuarów Geberit Preda Do pisuarów Geberit Selva Do pisuarów Geberit Tamina Do montażu zaworów spłukujących Geberit do pisuaru (produkowanych od 2009 roku) Charakterystyka: Ocynkowana rama elementu montażowego Rama montażowa z czterema kątownikami montażowymi Możliwość regulacji głębokości zabudowy elementu montażowego w zakresie od 8–12,5 cm Głębokość zabudowy przy montażu bez kątowników 7,5 cm Obudowa ochronna otworu rewizyjnego chroni przed wilgocią i zabrudzeniami Możliwość dopasowania wysokości elementu do pisuaru, 109–127 cm Wstępne ustawienie do podłączenia pisuaru Geberit Preda Uniwersalna skrzynka montażowa do zaworów spłukujących Geberit do pisuaru Kostka zaciskowa do przyłącza elektrycznego umieszczona w uniwersalnej skrzynce montażowej Przyłącze wody z prawej strony na uniwersalnej skrzynce montażowej Przyłącze wody typu MasterFix i MeplaFix Kolanko przyłączeniowe montowane bez użycia narzędzi Zawór odcinający z dławikiem, wstępnie zamontowany Wstępnie zamontowana rura do przepłukania instalacji Obudowa ochronna otworu rewizyjnego 10,5 x 10,5 cm z możliwością skrócenia bez użycia narzędzi Elastyczny wężyk spłukujący Wężyk spłukujący umieszczony w prowadnicy zapobiegającej stagnacji wody Mocowanie wpustu Rp 1/2'' o regulowanej wysokości i szerokości Mocowanie kolana odpływowego o regulowanej wysokości i izolowane akustycznie Mocowania pisuarów M8, o regulowanej szerokości i wysokości Trawersy z oznaczonym środkiem, o regulowanym położeniu bez użycia narzędzi Znaczniki na trawersach ustawień do podłączenia pisuarów Geberit Preda i Selva Zakres dostawy: Przyłącze wody R 1/2" Obudowa ochronna otworu rewizyjnego Syfon pisuarowy ø 50 mm, z uszczelką do pisuaru Kolano przyłączeniowe z PE-HD, ø 50 / 63 mm Uszczelka ø 57 / 50 mm 2 zaślepki ochronne 2 pręty gwintowane M8 Elementy mocujące

Do pobrania

Produkty polecane

Zestaw wiszącej miski WC Geberit iCon, lejowa, ukryte mocowania, TurboFlush, z deską sedesową: T=53cm, Wolne opadanie=Tak, Zawiasy wypinane=Blokowane, Mocowanie=Od góry, Biały

Wiszący Ceramiczna miska WC lejowa Bezkrawędziowa miska ustępowa z technologią spłukiwania TurboFlush Łatwe mocowanie dzięki systemowi Easy Fast Fixing (typ EFF3) Typ 1, pełna ilość 6 / 5 / 4 l, zgodne ze europejską normą EN 997 Zawiasy wypinane, blokowane Typ 2 wg EN 997 Spłukuje ilością 4 l Ukryte mocowania Deska sedesowa z duroplastu Pokrywa deski przykrywająca siedzisko Deska sedesowa z zawiasami EasyMount Do spłuczek podtynkowych Do zaworów spłukujących Materiał: Ceramika sanitarna Kolor główny: Biały Zawartość: Miska ustępowa Deska sedesowa Elementy mocujące

2 048,10 zł / szt
Stelaż podtynkowy Geberit Duofix do wiszących misek WC, 112 cm, ze spłuczką podtynkową Sigma 12 cm

Seria 2025 Statyczna rama samonośna, zabezpieczona przed korozją powłoką malowaną proszkowo Rama do wiszących misek WC o wymiarach przyłączeniowych zgodnych z normą EN 33 i wysunięciu do 70 cm Z wysuwaną blachą do bocznego mocowania nad elementem na profilach metalowych lub drewnianych bądź na elementach konstrukcyjnych Geberit Duofix Alternatywna pozycja mocowania wspornika dystansowego Obrotowe stopy, odpowiednie do montażu w profilach U UW 50 i UW 75 Stopy można zamontować w szynie systemowej Geberit Duofix bez użycia narzędzi, bez dodatkowych komponentów Ocynkowane nogi montażowe, zabezpieczone przed korozją, antypoślizgowe Kolano przyłączeniowe z możliwością montażu na różnych głębokościach bez użycia narzędzi, zakres regulacji 45 mm Spłuczka podtynkowa Geberit Sigma 12 cm, z izolacją przeciwroszeniową Do uruchamiania z przodu, nadaje się do spłukiwania jednoilościowego, dwudzielnego i spłukiwania z funkcją "stop" W przypadku ustawień fabrycznych ponowne spłukiwanie możliwe natychmiast Prace montażowe i serwisowe przy spłuczce podtynkowej bez użycia narzędzi Przyłącze wody z tyłu lub na górze na środku Obudowa ochronna otworu rewizyjnego z możliwością skrócenia, chroni przed wilgocią i zabrudzeniami Z peszlem ochronnym do dopływu dla toalet myjących Geberit AquaClean i do przewodu przyłączeniowego Mocowanie przyłącza elektrycznego i Power & Connect Box Do metalowych i drewnianych ścianek konstrukcyjnych Do ścianek systemowych Geberit Duofix Do montażu w ściankach instalacyjnych o częściowej wysokości lub wysokości pomieszczenia Do montażu w ściankach działowych na wysokość pomieszczenia Do wysokości warstw podłogi 0–25 cm Do misek wiszących
Materiał: Stal

1 508 zł / szt
Kolano Geberit Mapress Therm d42

Niedozwolone w instalacjach wody pitnej
Wskaźnik zaciśnięcia
Połączenie szczelne dopiero po zaprasowaniu
Uszczelka z CIIR czarna
Do wody zimnej w układach klimatyzacji bez środka przeciw zamarzaniu
Do wody zimnej w układach klimatyzacji ze środkiem przeciw zamarzani
Do wody chłodzącej i grzewczej bez środka zapobiegającego zamarzaniu
Do wody chłodzącej i grzewczej ze środkiem zapobiegającym zamarzaniu
Do wody ciepłowniczej ≤ 120 °C
Do tryskacza (mokro)
Do sprężonego powietrza (klasa czystości oleju 0–3)
Do podciśnienia
Do gazów obojętnych (np. azot)
Do techniki domowej i przemysłu
Materiał: Stal nierdzewna

139,80 zł / szt
Geberit Selnova Comfort Wisząca miska WC, lejowa, B35.5cm, H34cm, T70cm, długa

Wiszący Ceramiczna miska WC lejowa Z krawędzią Bez barier Typ 1, pełna ilość 6 / 4 l, wg EN 997 Typ 2 wg EN 997 Spłukuje ilością 4 l Długa miska Do spłuczek podtynkowych Do zaworów spłukujących Możliwość korzystania przez osoby poruszające się na wózkach inwalidzkich Materiał: Ceramika sanitarna Kolor główny: Biały Zawartość: Miska ustępowa

816,40 zł / szt

Szkolenia - GEBERIT