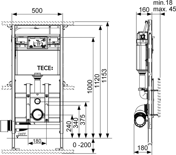
Stelaż podtynkowy do WC TECE lux, 1120 x 500 x 180 mm, regulowana wysokość, ze spłuczką
Podtynkowy moduł WC przeznaczony do montażu na kształtownikach stalowych TECEprofil lub do instalacji w ścianach z profili metalowych lub drewnianych oraz jako ścianka przednia lub stelaż narożnikowy.
Do montażu z górną i dolną obudową szklaną TECElux, opcja późniejszej ręcznej regulacji wysokości w zakresie 8 cm.
Spłuczka podtynkowa TECE:
- bezpieczny zbiornik wykonany z tworzywa odpornego na uderzania, przetestowany zgodnie z normą EN 14055
- spłuczka kompletnie zmontowana i zaplombowana
- zamontowany zawór kątowy odcinający i przyłącze wodne spłuczki
- przyłącze spłuczki z gwintem zewnętrznym 1/2"
- pojemność zbiornika 10 litrów; standardowe ustawienie ilości spłukiwanej wody 6 litrów; opcjonalnie możliwość ustawienia ilości spłukiwanej wody na 9/7,5/4,5 litrów; w systemie spłukiwania dwoma ilościami wody 3 litry spłukiwania częściowego pozostała ilość wody do natychmiastowego spłukiwania czyszczącego
- izolacja przeciw skraplaniu wody
- cichy zawór napełniający, grupa akustyczna 1 zgodnie z normą DIN 4109
- w zestawie płytka maskująca z koszem na kostki czyszczące. Umożliwia aplikację kostek czyszczących, gwarantując świeżość podczas spłukiwania toalety
- regulacja ciśnienia wody spłukującej bez konieczności demontażu zaworu spustowego
Rama stelaża:
- samonośna, malowana proszkowo
- trawers z regulacją głębokości do montażu górnej obudowy szklanej z mechanizmem uruchamiającym i dolnej obudowy szklanej, możliwość późniejszej ręcznej regulacji wysokości
- dwie regulowane nóżki stelaża, zakres montażowy 0-200 mm
- dwie szpilki mocujące i nakrętki M 12
- mocowanie do ceramik WC z rozstawem 180 mm
- elastyczne kolano odpływowe do WC DN 90, materiał elementu przyłączeniowego PE-HD (zgrzewalny), z adapterem DN 90/100 z PP
- kpl. króćców przyłączeniowych do montażu ceramiki wraz z zatyczkami
- duża osłona montażowa
- maksymalna grubość zabudowy stelaża do 45 mm
Proszę zamawiać oddzielnie:
- górną obudowę szklaną z modułem uruchamiającym
- dolną obudowę szklaną z samoprzylepną taśmą wygłuszającą
- mocowanie górne
Akcesoria dodatkowe:
rozszerzony zestaw oczyszczacza powietrza TECElux "ceramic-Air" (9660000), tylko w połączeniu z górną obudową szklaną sen-Touch z modułem uruchamiającym.
Dane techniczne
Głębokość [mm]
180
Regulowana wysokość
Tak
Szerokość [mm]
500
Wysokość [mm]
1120








