Śrubunek prosty FERRO, mosiądz (żółty), 1'' (GW x GZ)
Unikalne cechy produktu:
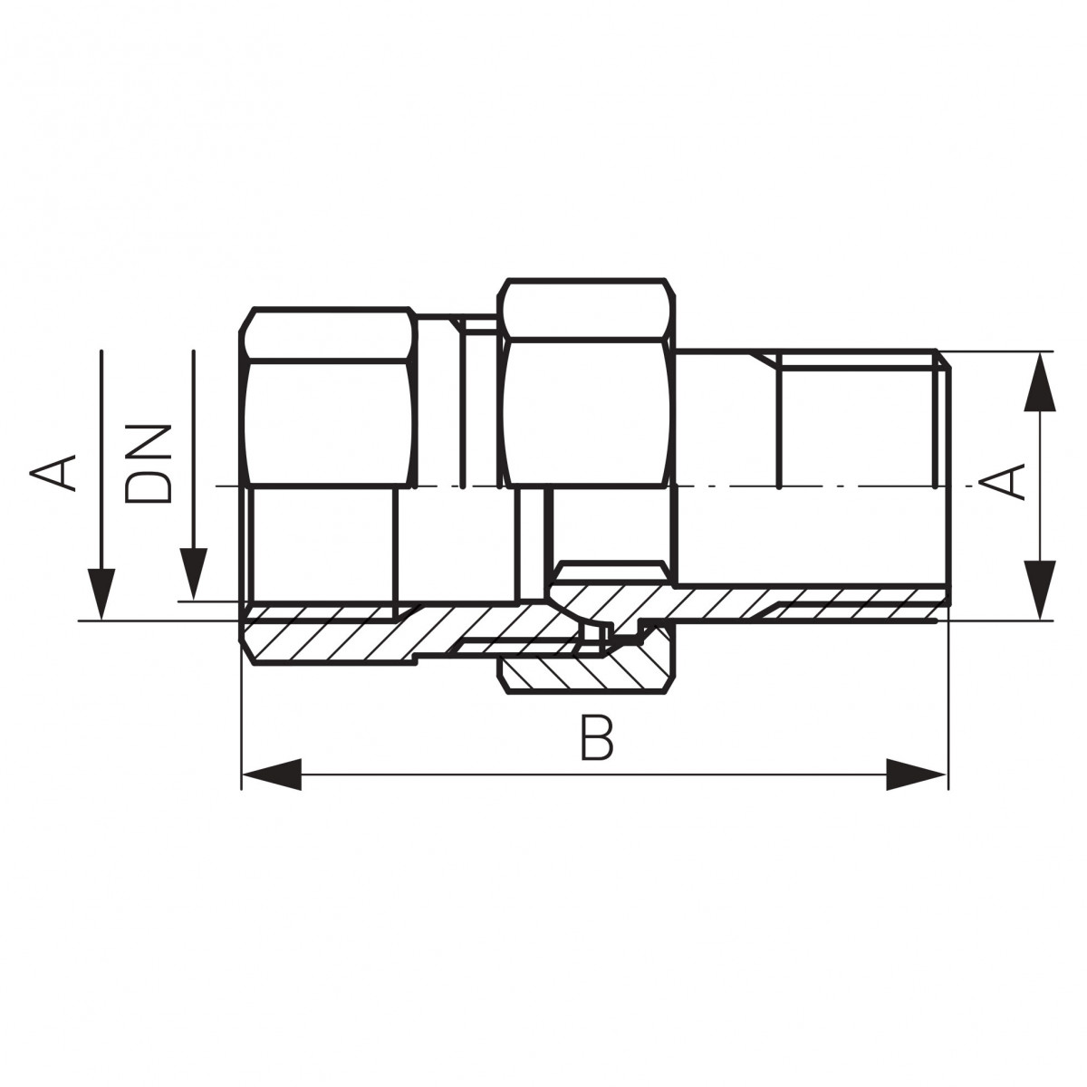
Śrubunek prosty wykonany z mosiądzu wysokogatunkowego CW617N. Maksymalna temperatura pracy 95°C. Maksymalne ciśnienie 10 bar
Dane techniczne:
- DN: 30
- Kod kreskowy: opakowanie z kodem kreskowym umożliwiającym sprzedaż detaliczną
- Materiał korpusu/materiał wykonania: mosiądz
- Wymiar A: G1
- Wymiar B: 59
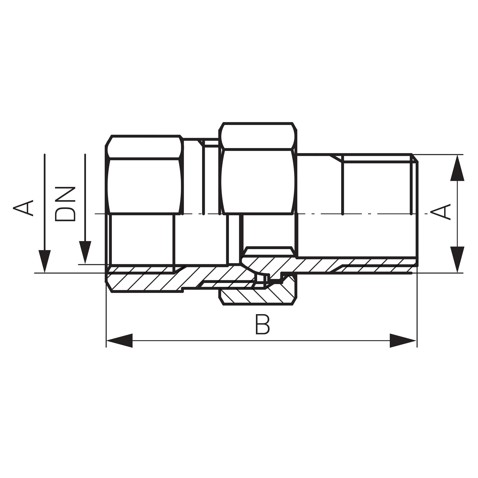
Dane techniczne
Główny kolor złącza
żółty
Materiał połączenia 1
Mosiądz
Połączenie 1
Gwint wewnętrzny
Połączenie 2
Gwint zewnętrzny
Rodzaj złącza
Śrubunek prosty
Znamionowa średnica wewnętrzna połączenia 1
1''
Do pobrania
Dane logistyczne
Opakowanie zbiorcze 2
Jednostka zbiorcza opak.
opak
Ilość
70
Masa brutto [kg]
20,12
Długość [m]
0,305
Szerokość [m]
0,22
Wysokość [m]
0,24
Opakowanie zbiorcze 3
Jednostka zbiorcza opak.
paleta
Ilość
3360
Masa brutto [kg]
965,76
Długość [m]
1,2
Szerokość [m]
0,8
Wysokość [m]
0,72








