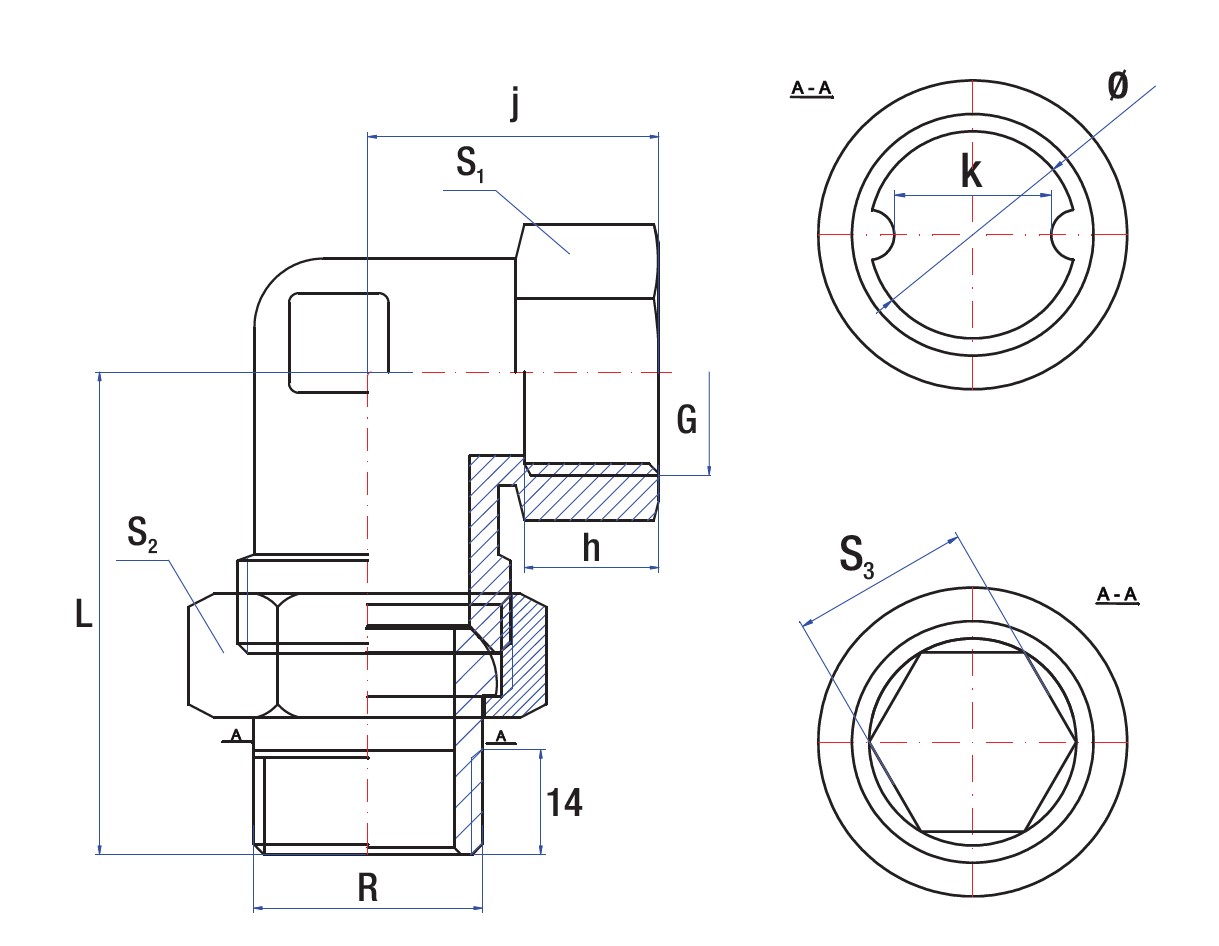
Śrubunek kątowy 90' RUMET mosiądz 2'' x 2'' (gw x gz)
|
charakterystyka
|
opakowanie - ilość szt.
|
masa jedn.
|
nr kat.
|
||||||||||
|
G
|
R
|
L
|
j
|
h
|
k
|
ø
|
S1
|
S2
|
S3
|
woreczek
|
karton
|
kg
|
|
|
1/2"
|
1/2"
|
53
|
30
|
14
|
-
|
-
|
26
|
30
|
13
|
10
|
40
|
0,17
|
0008
|
|
3/4"
|
3/4"
|
59
|
26
|
14
|
-
|
-
|
32
|
37
|
17
|
10
|
20
|
0,25
|
0009
|
|
1"
|
1"
|
67
|
32
|
15
|
19
|
25
|
38
|
45
|
-
|
5
|
20
|
0,41
|
0010
|
|
5/4"
|
5/4"
|
80
|
37,5
|
15
|
26
|
32
|
47
|
54
|
-
|
-
|
6
|
0,66
|
0176
|
|
6/4"
|
6/4"
|
91
|
52
|
14
|
34
|
40
|
54
|
60
|
-
|
-
|
3
|
0,83
|
0177
|
|
2"
|
2"
|
105
|
59
|
14
|
45
|
51
|
68
|
82
|
-
|
-
|
2
|
1,8
|
0179
|
Dane techniczne
Kąt łuku [°]
90
Materiał połączenia 1
Mosiądz
Model
Trzyczęściowy
Model/kształt/forma
Kolanko
Połączenie 1
GW
Połączenie 2
GZ
Rodzaj złącza
Śrubunek kątowy
Znamionowa średnica wewnętrzna połączenia 1
2''
Znamionowa średnica wewnętrzna połączenia 2
2''
Dane logistyczne
Opakowanie zbiorcze 1
Jednostka zbiorcza opak.
opak
Opakowanie zbiorcze 2
Jednostka zbiorcza opak.
opak
Ilość
2








