SANICUBIC 1 WP NM - Rozdrabniacz publiczny (kilka WC, łazienek, IP68)
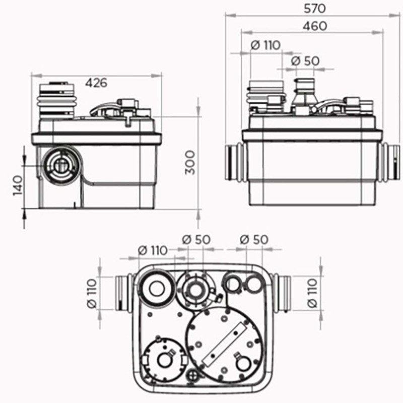
SANICUBIC® 1 WP NM to przepompownia z 1 silnikiem, wyposażona w system rozdrabniania o wysokiej wydajności, który zapobiega blokowaniu się pompy oraz umożliwia odprowadzenie ścieków przez rury o małej średnicy (DN50).
SANICUBIC® 1 WP NM został opracowany specjalnie do instalacji w małych obiektach komercyjnych lub użytku domowego i umożliwia podłączenie przyborów z takich pomieszczeń jak WC, łazienki, kuchnie lub pralnie.
SANICUBIC® 1 WP NM zapewnia bezpieczną obsługę. Wyposażony jest w zewnętrzny system sterowania (5m przewód) i alarm dźwiękowy i wizualny (4m przewód). Wewnątrz urządzenia znajdują się 3 rurki (detektory ciśnienia), 2 z nich odpowiadają za uruchomienie silnika, a 1 za współpracę z systemem alrmowym. SANICUBIC® 1 WP NM wykonany jest ponadto w klasie ochrony IP68.
SANICUBIC® 1 WP NM zapewnia łatwą i szybką konserwację. Wymiana silników i systemu załączania odbywa się bez konieczności odłączania elementów zbiornika.
11 m ↑ / 110 m →, możliwość podłączenia do całego domu: kilka WC, łazienek, kuchnia, pralnia, użytek prywatny i publiczny (ze wzgl. na mniejszą wydajność (do 12m³/h) w miejscach publicznych zalecamy Sanicubic Classic NM (wydajność do 22,4m³/h) - pub, restauracja, hotel, itp.; moc urz. 1500 W, przewodowy czujka alarmowa w zestawie.
Do pobrania
Dane logistyczne
Opakowanie zbiorcze 1
Jednostka zbiorcza opak.
opak
Masa brutto [kg]
28
Długość [m]
0,52
Szerokość [m]
0,5
Wysokość [m]
0,515
Opakowanie zbiorcze 2
Jednostka zbiorcza opak.
opak

