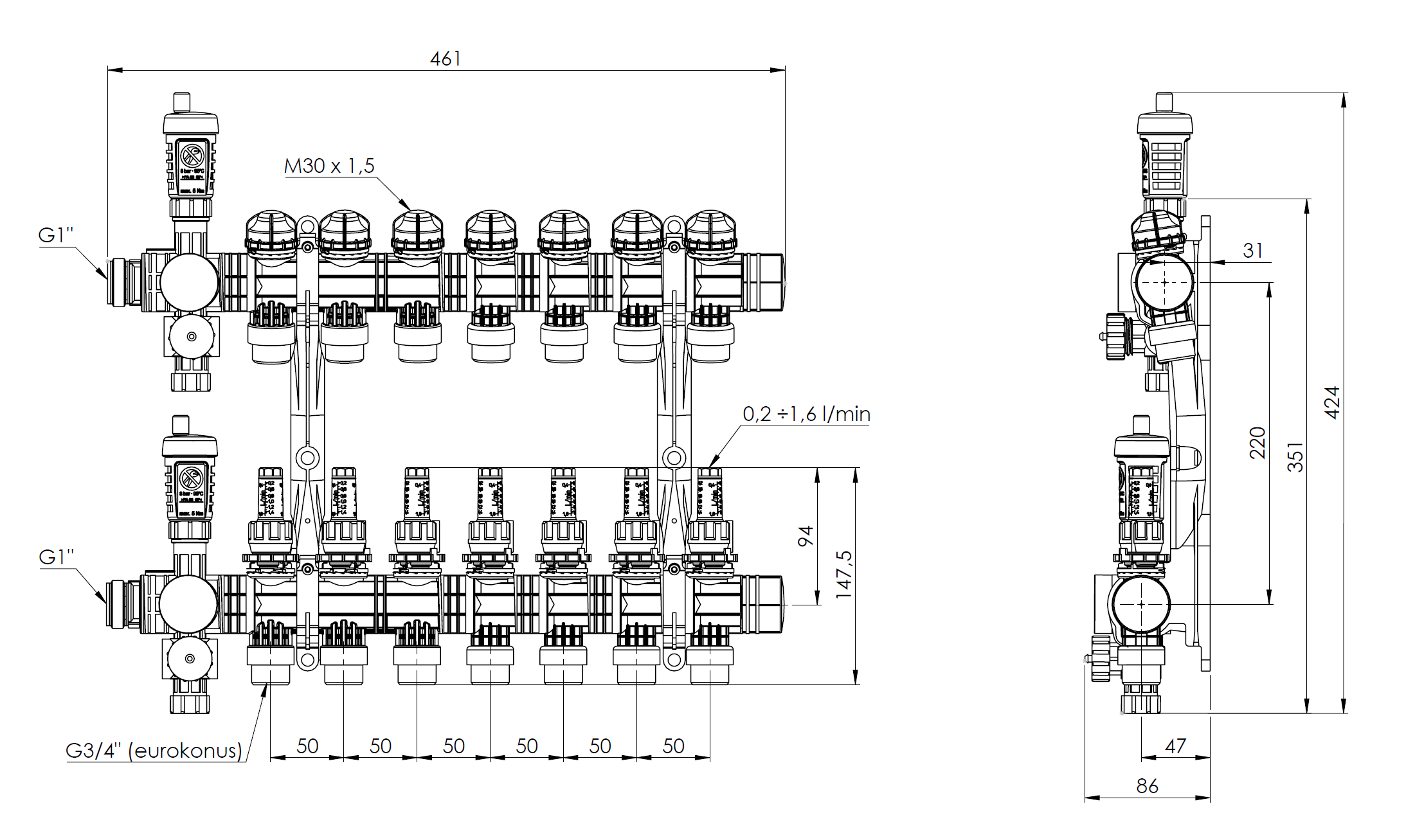
Rozdzielacz do ogrzewania podłogowego AFRISO ProCalida EF1 7-obieg. poliamid GZ 1'' x euroconus 3/4''
Belki fabrycznie zamontowane na wieszakach.
Belka zasilająca wyposażona w rotametry z zakresem regulacji przepływu 0,2 ÷ 1,6 l/min.
Belka powrotna wyposażona w nakrętki zaworów do ręcznego odcinania strumienia w danej pętli.
Belki wyposażone w zawory do napełniania, opróżniania i płukania instalacji.
Termometry na każdej belce umożliwiają kontrolę temperatury na zasilaniu i powrocie.
Odpowietrznik ręczny na każdej belce umożliwia odpowietrzenie instalacji. Odpowietrzniki ręczne można zastąpić poliamidowymi odpowietrznikami automatycznymi, które wchodzą w skład elementów dostawy.
Na zaworach odcinających na belce powrotnej można zamontować siłowniki termoelektryczne (np. TSA-01) i podłączyć je do systemu sterowania strefowego (np. FloorControl, CosiTherm), co pozwoli ustawić różne temperatury w każdej ze stref.
Zastosowanie
Stosowany w instalacjach płaszczyznowych grzewczych lub chłodzących.Montowany w szafce umieszczonej w ścianie/na ścianie budynku lub pod stropem w instalacjach sufitowych.
Rozprowadza ciepło/chłód ze źródła na poszczególne pętle instalacji płaszczyznowej.
Reguluje strumień medium w każdej z pętli.
Zastosowanie
Stosowany w instalacjach płaszczyznowych grzewczych lub chłodzących.Montowany w szafce umieszczonej w ścianie/na ścianie budynku lub pod stropem w instalacjach sufitowych.
Rozprowadza ciepło/chłód ze źródła na poszczególne pętle instalacji płaszczyznowej.
Reguluje strumień medium w każdej z pętli.
Dane techniczne
Liczba obiegów ogrzewania podłogowego
7
Materiał
Poliamid
Rodzaj przyłącza obiegu
Euroconus
Rodzaj przyłącza źródła ciepła
Gwint zewnętrzny
Rozmiar przyłącza obiegu
3/4''
Rozmiar przyłącza źródła ciepła
1''









