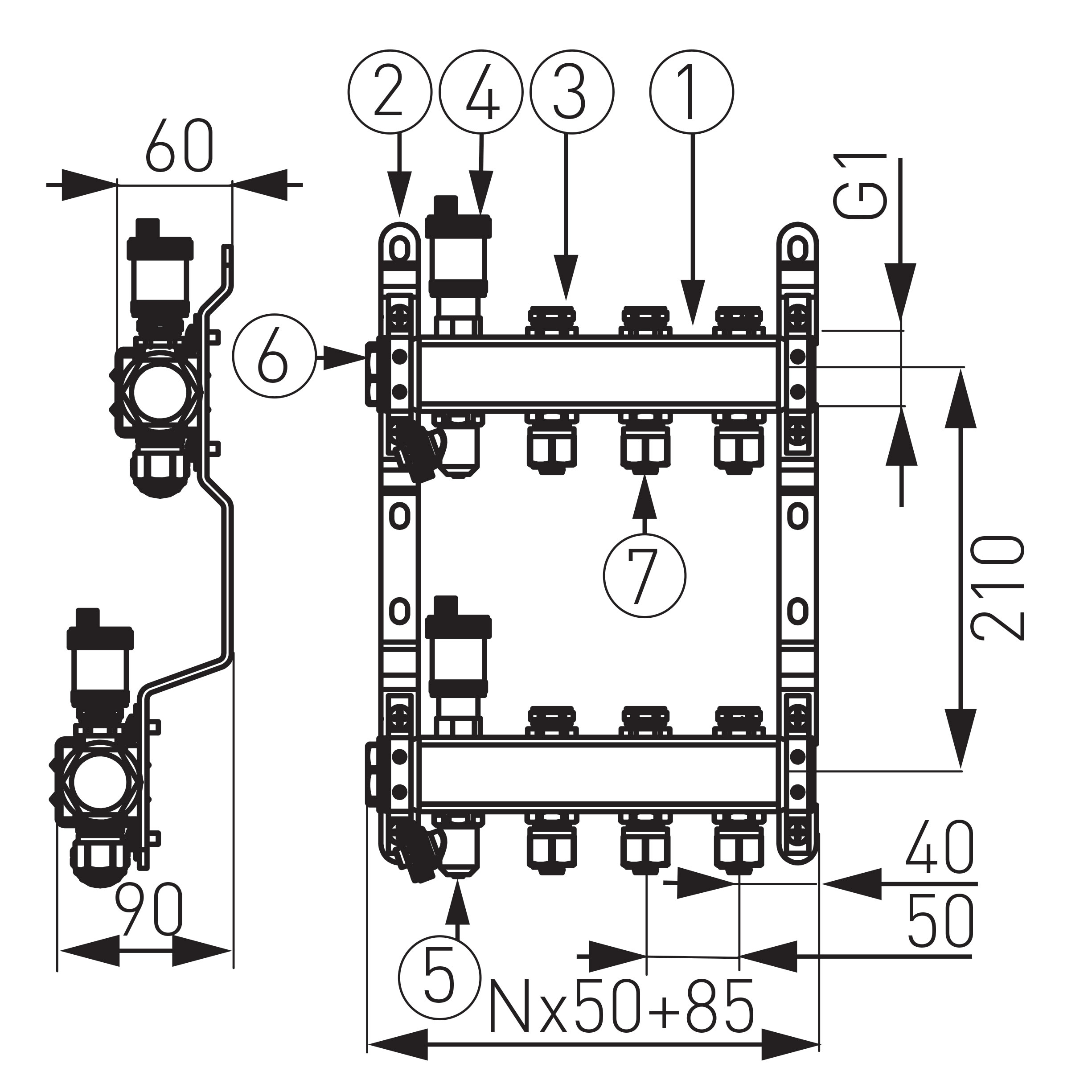
Rozdzielacz 5-drogowy (do systemów c.o. i c.w.u.) z zaworami odcinającymi obwody, ze złączkami, stal nierdzewna
Unikalne cechy produktu:
Charakterystyka:
Rozdzielacze są elementem systemu centralnego ogrzewania, który rozprowadza (rozdziela) czynnik grzewczy na poszczególne odcinki instalacji grzewczej.
Znajdują zastosowanie w instalacjach grzejnikowych ogrzewania i chłodzenia płaszczyznowego oraz układach mieszanych.
Umożliwiają precyzyjną regulację instalacji i niezawodną pracę całego systemu ogrzewania.
Zalety rozdzielaczy:
- Prec
Dane logistyczne
Opakowanie zbiorcze 3
Jednostka zbiorcza opak.
paleta
Ilość
20
Masa brutto [kg]
93
Długość [m]
1,2
Szerokość [m]
0,8
Wysokość [m]
0,55








