Przedłużka redukcja RUMET płaskie czoło mosiądz 1'' x 3/4'' (GW x GZ), 34 mm
|
charakterystyka
|
opakowanie - ilość szt.
|
masa jedn.
|
nr kat.
|
||||||||
|
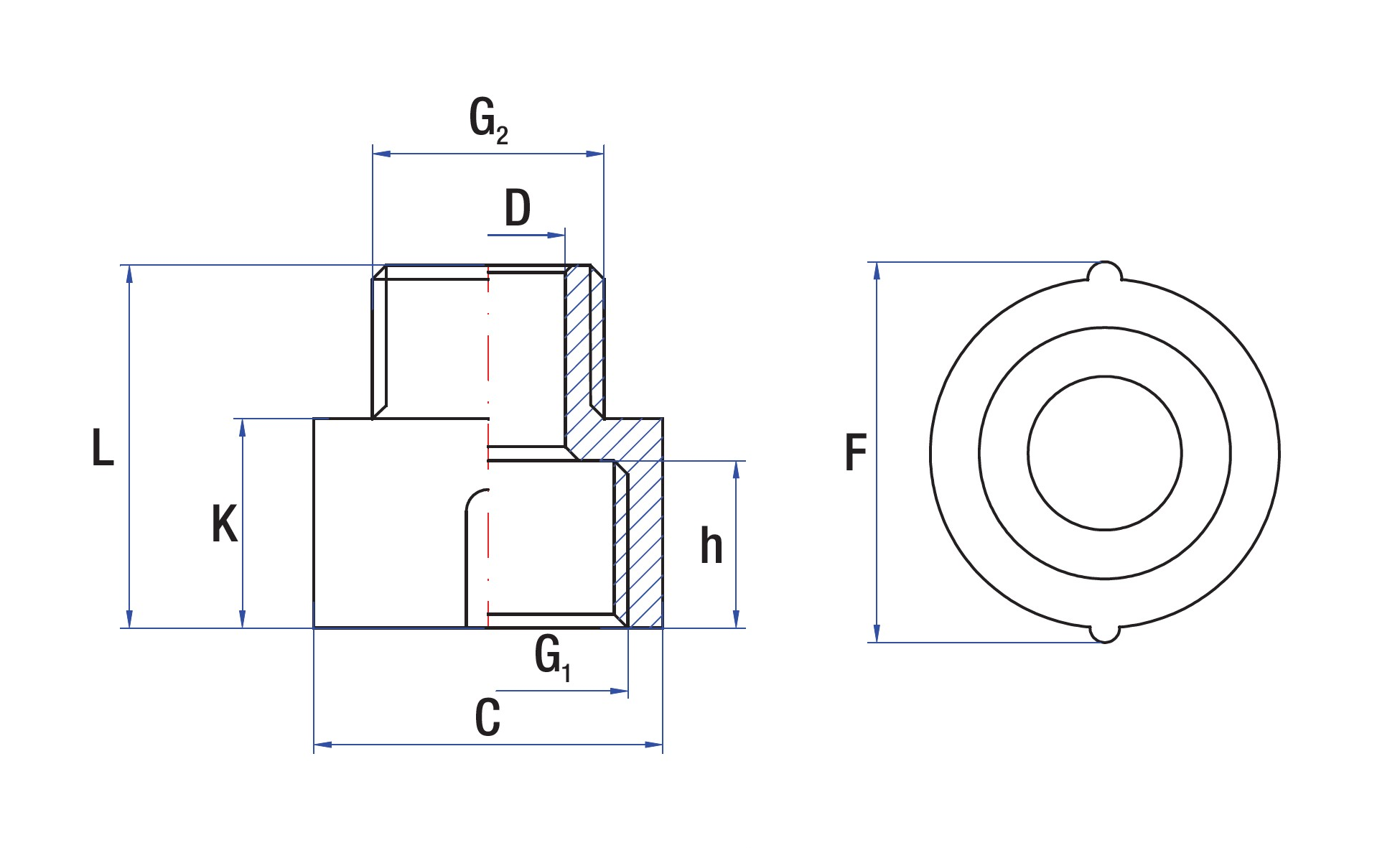
G1
|
G2
|
K
|
L
|
F
|
h
|
D
|
C
|
woreczek
|
karton
|
kg
|
|
|
1/2"
|
3/8"
|
15
|
27
|
29,5
|
12
|
11
|
25
|
10
|
120
|
0,04
|
0024
|
|
3/4"
|
1/2"
|
18
|
31
|
36,5
|
15
|
14,5
|
32
|
10
|
100
|
0,07
|
0025
|
|
1"
|
3/4"
|
20,5
|
34
|
-
|
16,5
|
S17
|
37
|
5
|
60
|
0,09
|
0196
|
|
1"
|
3/4"
|
20,5
|
34
|
-
|
16,5
|
15
|
37
|
5
|
60
|
0,10
|
0196P
|
|
M20x1,5
|
1/2"
|
16
|
28
|
-
|
13
|
6kt14
|
-
|
10
|
160
|
0,04
|
0499
|
Dane techniczne
Długość [mm]
34
Materiał połączenia 1
Mosiądz
Model
Jednoczęściowy
Model redukcyjny
Tak
Model/kształt/forma
Prosty
Połączenie 1
Gwint wewnętrzny
Połączenie 2
Gwint zewnętrzny
Rodzaj złącza
Przedłużka
Znamionowa średnica wewnętrzna połączenia 1
1''
Znamionowa średnica wewnętrzna połączenia 2
3/4''
Dane logistyczne
Opakowanie zbiorcze 1
Jednostka zbiorcza opak.
worek
Ilość
5
Opakowanie zbiorcze 2
Jednostka zbiorcza opak.
opak
Ilość
10
Opakowanie zbiorcze 3
Jednostka zbiorcza opak.
opak
Ilość
60








