Pompa obiegowa WILO VeroTwin-DPL 80/125-0,75/4-IE3 typu in-line z silnikiem znormalizowanym 50 Hz, moc silnika 0.75kW 1.57 A 1450 obr/min, wlot Kołnierz DN 80
Typoszereg DPL jest przeznaczony do montażu na rurociągu lub do ustawienia na fundamencie. Konsole są dostępne w ramach wyposażenia dodatkowego. Z niezależnymi od kierunku obrotów mieszkowymi uszczelnieniami mechanicznymi z wymuszonym opływem oraz wirnikiem z tworzywa sztucznego redukującym kawitację.
Przyłącza kołnierzowe z przyłączami pomiarowymi ciśnienia R 1/8. Korpus pompy i latarnia z powłoką kataforetyczną.
Dane eksploatacyjne
*temperatura przetłaczanej cieczy: -20 oC
*temperatura otoczenia: -15 oC
*Maks. ciśnienie robocze: 10 bar
*Wskaźnik minimalnej energochłonności (MEI): 0,4
Dane silnika
*Klasa sprawności energetycznej silnika:
*Przyłącze sieciowe:
*Tolerancja napięcia:
*Moc znamionowa : 750
*Znamionowa prędkość obrotowa: 1450 Obroty / min
*Prąd znamionowy: 1,57 A
*Współczynnik mocy: 0,76
*Sprawność silnika ηm 50 %: 82
*Sprawność silnika ηm 75 %: 83,8
*Sprawność silnika ηm 100 %: 83,5
*Klasa izolacji: F
*Stopień ochrony:
Materiały
*Korpus pompy: EN-GJL-250
*Wirnik:
*Wał: Stal nierdzewna
*Uszczelnienie wału: AQ1EGG
*Latarnia: EN-GJL-250
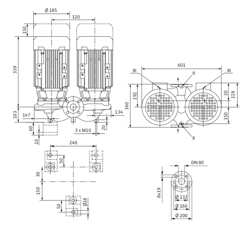
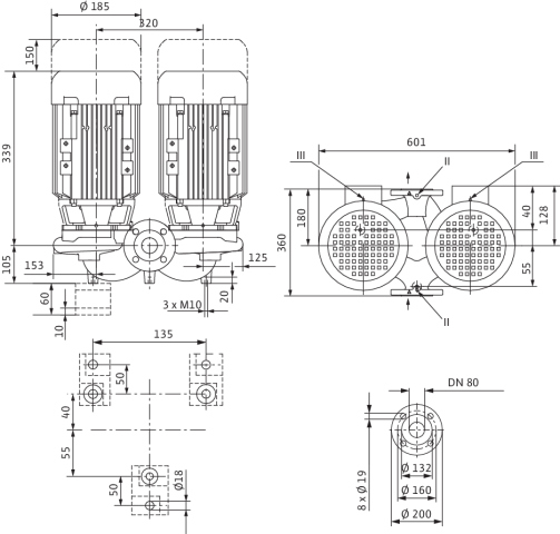
Wymiary montażowe
*Przyłącze gwintowane po stronie ssawnej: DN 80
*Przyłącze gwintowane po stronie tłocznej: DN 80
*Długość montażowa: 360 mm
Informacje na temat umiejscowienia zamówień
*Produkt:
*Nazwa produktu: VeroTwin-DPL 80/125-0,75/4
*Masa netto ok.: 59 kg
*Numer artykułu: 2121233
Dane techniczne
Częstotliwość
50 Hz
Długość wbudowania [mm]
360
Gatunek materiału korpusu pompy
Żeliwo GG 25
Gatunek materiału wirnika
PP-GF
Klasa ciśnienia kołnierza przyłącza wlotowego
PN 10
Klasa ciśnienia kołnierza przyłącza wylotowego
PN 10
Klasa efektywności energetycznej silnika
IE3
Klasa izolacji wg IEC
F
Kształt końcówki
Okrągły
Liczba faz
3
Maks. ciśnienie robocze [bar]
10
Maks. wydajność (maks. przepływ) [m³/h]
105
Maks. wysokość podnoszenia [m]
5,373
Materiał korpusu pompy
Żeliwo
Materiał wirnika
Polipropylen
Moc oddawana silnika (P2) [kW]
0,75
Podwójna pompa
Tak
Przepływ nominalny (BEP) [m³/h]
71,25
Przyłącze od strony wlotowej
Kołnierz
Przyłącze po stronie wylotowej
Kołnierz
Prąd znamionowy [A]
1,57
Prędkość obrotowa [obr/min]
1450
Rodzaj przyłącza wlotowego
EN 1092-2
Rodzaj przyłącza wylotowego
EN 1092-2
Silnik standardowy
Tak
Stopień ochrony (IP)
IP55
Wskaźnik minimalnej sprawności (MEI)
0,4
Wysokość podnoszenia przy przepływie nominalnym (BEP) [kPa]
42,19
Zakres napięcia znamionowego [V]
400
Średnica nominalna przyłącza od strony wlotowej
DN 80
Średnica nominalna przyłącza od strony wylotowej
DN 80
Średnica zewnętrzna przyłącza od strony wylotowej [mm]
80







