Pompa obiegowa WILO VeroLine-IP-Z 25/2 EM typu in-line z silnikiem znormalizowanym 50 Hz, moc silnika 0.06kW 0.85 A 1365 obr/min, wlot GZGW 1 1/2''
Do napięcia zasilanie 1 ~ 230 V, 50 Hz lub 3 ~ 400 V, 50 Hz
Uszczelnienie mechaniczne z wymuszonym opływem
Dane eksploatacyjne
*temperatura przetłaczanej cieczy: 0 oC
*temperatura otoczenia: -15 oC
*Maks. ciśnienie robocze: 10 bar
Dane silnika
*Klasa sprawności energetycznej silnika:
*Przyłącze sieciowe:
*Tolerancja napięcia:
*Moc znamionowa : 60
*Znamionowa prędkość obrotowa: 1365 Obroty / min
*Prąd znamionowy: 0,85 A
*Współczynnik mocy: 0,79
*Sprawność silnika ηm 50 %: 26
*Sprawność silnika ηm 75 %: 36
*Sprawność silnika ηm 100 %: 42
*Klasa izolacji: F
*Stopień ochrony:
Materiały
*Korpus pompy: Stal nierdzewna
*Wirnik:
*Wał: Stal nierdzewna
*Uszczelnienie wału: BQ1EGG
*Latarnia: Stal nierdzewna
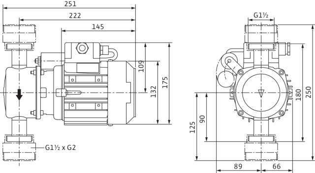
Wymiary montażowe
*Przyłącze gwintowane po stronie ssawnej: G 11/2
*Przyłącze gwintowane po stronie tłocznej: G 11/2
*Długość montażowa: 180 mm
Informacje na temat umiejscowienia zamówień
*Produkt:
*Nazwa produktu: VeroLine-IP-Z 25/2 EM
*Masa netto ok.: 5,5 kg
*Numer artykułu: 4090293
Dane techniczne
Częstotliwość
50 Hz
Gatunek materiału korpusu pompy
Stal nierdzewna 304 L
Gatunek materiału wirnika
PP-GF
Klasa ciśnienia kołnierza przyłącza wlotowego
PN 10
Klasa ciśnienia kołnierza przyłącza wylotowego
PN 10
Klasa izolacji wg IEC
F
Kształt końcówki
Okrągły
Liczba faz
1
Maks. ciśnienie robocze [bar]
10
Maks. wydajność (maks. przepływ) [m³/h]
3,327
Maks. wysokość podnoszenia [m]
1,567
Materiał korpusu pompy
Stal nierdzewna
Materiał wirnika
Polipropylen
Moc oddawana silnika (P2) [kW]
0,06
Przepływ nominalny (BEP) [m³/h]
1,931
Przyłącze od strony wlotowej
Gwint zewnętrzny gazowy walcowy
Przyłącze po stronie wylotowej
Gwint zewnętrzny gazowy walcowy
Prąd znamionowy [A]
0,85
Prędkość obrotowa [obr/min]
1365
Rodzaj przyłącza wlotowego
ISO 228-1
Rodzaj przyłącza wylotowego
ISO 228-1
Silnik standardowy
Tak
Stopień ochrony (IP)
IP54
Wysokość podnoszenia przy przepływie nominalnym (BEP) [kPa]
12,15
Zakres napięcia znamionowego [V]
230
Średnica nominalna przyłącza od strony wlotowej
1 1/2''
Średnica nominalna przyłącza od strony wylotowej
1 1/2 cala
Średnica zewnętrzna przyłącza od strony wylotowej [mm]
40







