Pompa obiegowa WILO TOP-Z 50/7 DM PN16 RG, 2900 obr/min 3 x 400 V 50 Hz, PN 16/16bar
Możliwość zastosowania w instalacjach cyrkulacyjnych ciepłej wody użytkowej do zastosowań w przemyśle i technice budynków.
Niewymagająca konserwacji, bezdławnicowa pompa obiegowa z przyłączem gwintowanym lub kołnierzowym, możliwość wyboru stopnia prędkości obrotowej w celu dopasowania wydajności
Wyposażenie i funkcje
*Ręczne dostosowanie wydajności pompy poprzez wybór 3 stopni prędkości obrotowej
*Pompy z silnikiem 1~:
**P2 do 90 W: Wewnętrzne zabezpieczenie przed niedopuszczalnie wysokimi temperaturami uzwojenia
**P2 ≥ 180 W: Pełne zabezpieczenie silnika zapewnione przez styki ochronne uzwojenia w połączeniu z urządzeniem wyzwalającym (opcja: SK 602N/SK 622N)
*Pompy z silnikiem 3~:
**P2 do 90 W: Wewnętrzne zabezpieczenie przed niedopuszczalnie wysokimi temperaturami uzwojenia
**P2 ≥ 180 W: Pełne zabezpieczenie silnika zapewnione przez styki ochronne uzwojenia w połączeniu z urządzeniem wyzwalającym (opcja: SK 602N/SK 622N)
*Napięcie zasilania 3~230 V z opcjonalną wtyczką przełączającą
*Korpus pompy z brązu lub żeliwa szarego (stal nierdzewna w zależności od typu)
*Kołnierz kombinowany PN 6/PN 10 (dla DN 40 do DN 65)
*Pokrywy izolacji termicznej
Dane eksploatacyjne
*temperatura przetłaczanej cieczy: -20 oC
*temperatura otoczenia: 0 oC
*Maks. ciśnienie robocze: 16 bar
*Max. dozwolona twardość całkowita w systemach cyrkulacyjnych ciepłej wody użytkowej: 3,57 mmol/l (20 odH) (3,21 mmol/l (18 odH) dla 20/4 + 25/6)
Dane silnika
*Generowanie zakłóceń:
*Odporność na zakłócenia:
*Przyłącze sieciowe:
*Pobór mocy: 680
*Prędkość obrotowa maks.: 2700 Obroty / min
*Prąd znamionowy: 1,38 A
*Stopień ochrony silnika:
*Dławik przewodu:
Materiały
*Korpus pompy:
*Wirnik:
*Wał: Stal nierdzewna
*Materiał łożysk: Węgiel spiekany, impregnowany żywicą
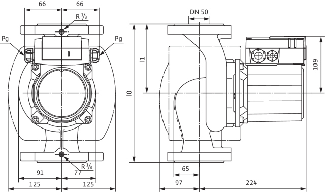
Wymiary montażowe
*Przyłącze gwintowane po stronie ssawnej: DN 50
*Przyłącze gwintowane po stronie tłocznej: DN 50
*Długość montażowa: 280 mm
Informacje na temat umiejscowienia zamówień
*Produkt:
*Nazwa produktu: TOP-Z 50/7 (3~400 V, PN 16, RG)
*Masa netto ok.: 18,8 kg
*Numer artykułu: 2175524
Dane techniczne
Częstotliwość
50 Hz
Gatunek materiału korpusu pompy
Brąz
Gatunek materiału wirnika
PP-GF
Klasa ciśnienia kołnierza przyłącza wlotowego
PN 16
Klasa ciśnienia kołnierza przyłącza wylotowego
PN 16
Klasa izolacji wg IEC
H
Kształt końcówki
Okrągły
Liczba faz
3
Maks. ciśnienie robocze [bar]
16
Maks. wydajność (maks. przepływ) [m³/h]
26,29
Maks. wysokość podnoszenia [m]
6,805
Materiał korpusu pompy
Brąz
Materiał wirnika
Polipropylen
Pobór mocy przez pompę (solpump) [W]
680
Pobór mocy przez pompę w trybie czuwania (solstandbypump) [W]
240
Pobór mocy silnika (P1) [W]
0,68
Przepływ nominalny (BEP) [m³/h]
17,07
Przyłącze od strony wlotowej
Kołnierz
Przyłącze po stronie wylotowej
Kołnierz
Prąd znamionowy [A]
1,38
Prędkość obrotowa [obr/min]
2900
Rodzaj przyłącza wlotowego
EN 1092-2
Rodzaj przyłącza wylotowego
EN 1092-2
Stopień ochrony (IP)
IPX4D
Temperatura otoczenia [°C]
40
Wysokość podnoszenia przy przepływie nominalnym (BEP) [kPa]
52,9
Zakres napięcia znamionowego [V]
400
Średnia temperatura (praca ciągła) [°C]
80
Średnica nominalna przyłącza od strony wlotowej
DN 50
Średnica nominalna przyłącza od strony wylotowej
DN 50
Średnica zewnętrzna przyłącza od strony wylotowej [mm]
50
Dane logistyczne
Opakowanie zbiorcze 1
Długość [m]
0,43
Szerokość [m]
0,23
Wysokość [m]
0,29







