Pompa obiegowa WILO TOP-Z 30/7 DM PN6/10 RG, 2900 obr/min 3 x 400 V 50 Hz, PN 10/10bar
Ta pompa obiegowa jest przeznaczona tylko do wody użytkowej.
Możliwość zastosowania w instalacjach cyrkulacyjnych ciepłej wody użytkowej do zastosowań w przemyśle i technice budynków.
Niewymagająca konserwacji, bezdławnicowa pompa obiegowa z przyłączem gwintowanym lub kołnierzowym, możliwość wyboru stopnia prędkości obrotowej w celu dopasowania wydajności
*Wyposażenie i funkcje
*Ręczne dostosowanie wydajności pompy poprzez wybór 3 stopni prędkości obrotowej
*Pompy z silnikiem 1~:
**P2 do 90 W: Wewnętrzne zabezpieczenie przed niedopuszczalnie wysokimi temperaturami uzwojenia
**P2 = 180 W: Pełne zabezpieczenie silnika zapewnione przez styki ochronne uzwojenia w połączeniu z urządzeniem wyzwalającym
*Pompy z silnikiem 3~:
**P2 do 90 W: Wewnętrzne zabezpieczenie przed niedopuszczalnie wysokimi temperaturami uzwojenia
**P2 ≥ 180 W: Pełne zabezpieczenie silnika z wbudowanym wyzwalaczem elektronicznym
*Lampka sygnalizacji awarii
*Styk zbiorczej sygnalizacji awarii
*Świetlna sygnalizacja kierunku obrotów
*Napięcie zasilania 3~230 V z opcjonalną wtyczką przełączającą
*Korpus pompy z brązu lub żeliwa szarego (stal nierdzewna w zależności od typu)
*Kołnierz kombinowany PN 6/PN 10 (dla DN 40 do DN 65)
*Pokrywy izolacji termicznej
*Funkcje dodatkowe do dyspozycji po doposażeniu w moduł Protect C:
**Sygnalizacja awarii SSM jako bezpotencjałowy styk rozwierny
**Sygnalizacja pracy SBM jako bezpotencjałowy styk zwierny
**Wejście sterujące „Wyłączanie z priorytetem” przez zewnętrzny styk bezpotencjałowy (rozwierny)
**Wykrywanie blokady
**Pełne zabezpieczenie silnika z urządzeniem wyzwalającym
**Potwierdzenie usterki
*Zarządzanie pracą pomp podwójnych (dwie pompy pojedyncze zainstalowane równolegle): Praca/rezerwa (automatyczne przełączanie awaryjne/zależna od czasu naprzemienna praca pomp)
Dane eksploatacyjne
*temperatura przetłaczanej cieczy: -20 oC
*temperatura otoczenia: 0 oC
*Maks. ciśnienie robocze: 10 bar
*Max. dozwolona twardość całkowita w systemach cyrkulacyjnych ciepłej wody użytkowej: 3,57 mmol/l (20 odH) (3,21 mmol/l (18 odH) dla 20/4 + 25/6)
Dane silnika
*Generowanie zakłóceń:
*Odporność na zakłócenia:
*Przyłącze sieciowe:
*Pobór mocy: 310
*Prędkość obrotowa maks.: 2700 Obroty / min
*Prąd znamionowy: 0,42 A
*Stopień ochrony silnika:
*Dławik przewodu:
Materiały
*Korpus pompy:
*Wirnik:
*Wał: Stal nierdzewna
*Materiał łożysk: Węgiel spiekany, impregnowany żywicą
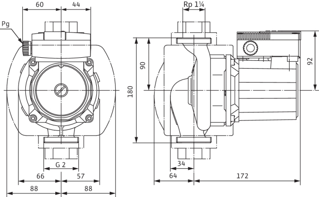
Wymiary montażowe
*Przyłącze gwintowane po stronie ssawnej: G 2
*Przyłącze gwintowane po stronie tłocznej: G 2
*Długość montażowa: 180 mm
Informacje na temat umiejscowienia zamówień
*Produkt:
*Nazwa produktu: TOP-Z 30/7 (3~400 V, PN 10, RG)
*Masa netto ok.: 5,5 kg
*Numer artykułu: 2048341
Dane techniczne
Częstotliwość
50 Hz
Gatunek materiału korpusu pompy
Brąz
Gatunek materiału wirnika
PP-GF
Klasa ciśnienia kołnierza przyłącza wlotowego
PN 10
Klasa ciśnienia kołnierza przyłącza wylotowego
PN 10
Klasa izolacji wg IEC
H
Kształt końcówki
Inne
Liczba faz
3
Maks. ciśnienie robocze [bar]
10
Maks. wydajność (maks. przepływ) [m³/h]
7,108
Maks. wysokość podnoszenia [m]
5,411
Materiał korpusu pompy
Brąz
Materiał wirnika
Polipropylen
Pobór mocy przez pompę (solpump) [W]
310
Pobór mocy przez pompę w trybie czuwania (solstandbypump) [W]
100
Pobór mocy silnika (P1) [W]
0,31
Przepływ nominalny (BEP) [m³/h]
3,97
Przyłącze od strony wlotowej
Gwint zewnętrzny gazowy walcowy
Przyłącze po stronie wylotowej
Gwint zewnętrzny gazowy walcowy
Prąd znamionowy [A]
0,42
Prędkość obrotowa [obr/min]
2900
Rodzaj przyłącza wlotowego
ISO 228-1
Rodzaj przyłącza wylotowego
ISO 228-1
Stopień ochrony (IP)
IPX4D
Temperatura otoczenia [°C]
40
Wysokość podnoszenia przy przepływie nominalnym (BEP) [kPa]
36,94
Zakres napięcia znamionowego [V]
400
Średnia temperatura (praca ciągła) [°C]
80
Średnica nominalna przyłącza od strony wlotowej
2 cale
Średnica nominalna przyłącza od strony wylotowej
2 cale
Średnica zewnętrzna przyłącza od strony wylotowej [mm]
50
Dane logistyczne
Opakowanie zbiorcze 1
Długość [m]
0,27
Szerokość [m]
0,178
Wysokość [m]
0,215







