Instalatorze, możesz zamówić kotły Vaillant ecoTEC pro za punkty PIK!
 

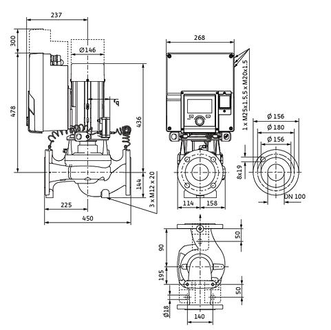
Pompa obiegowa WILO Stratos GIGA 2.0-I 100/1-9/1,5-R1-S1 typu in-line z silnikiem znormalizowanym 50/60 Hz, moc silnika 1.4kW 2.6 A 1800 obr/min, wlot Kołnierz DN 100

Kod IK

812204943

Kod EAN

4062679018553

Kod producenta

2204943

Marka

WILO

Model

Stratos GIGA 2.0-I 100/1-9/1,5-R1-S1

Cena katalogowa netto

6 041 EUR / szt.

Cena katalogowa brutto

7 430,43 EUR / szt.

Pompa Inline o najwyższej sprawności z silnikiem EC z klasą sprawności energetycznej IE5 zgodnie z IEC 60034-30-2, hydraulicznym wskaźnikiem minimalnej energochłonności MEI ≥ 0,7, elektronicznym dopasowaniu wydajności, o konstrukcji pompy dławnicowej. Pompa jest wykonana jako jednostopniowa, niskociśnieniowa pompa wirowa z przyłączem kołnierzowym i uszczelnieniem mechanicznym. Pompa Stratos GIGA2.0-I jest przede wszystkim przeznaczona do tłoczenia wody grzewczej (zgodnie z VDI 2035), wody zimnej i mieszanin woda-glikol niezawierających substancji abrazyjnych, w układach grzewczych, klimatyzacyjnych i chłodzenia. Konstrukcja ...-R1-S1: Jednostopniowa niskociśnieniowa pompa wirowa z niedzielonym wałem o konstrukcji blokowej Korpus spiralny o konstrukcji Inline (przyłącze ssawne i ciśnieniowe z takimi samymi kołnierzami w jednej linii) Kołnierze PN 16 - zgodnie z EN 1092-2 Przyłącza pomiarowe ciśnienia (R 1/8) do późniejszego montażu czujnika różnicy ciśnień (wersja ...-R1 bez cz

Dane techniczne

Częstotliwość

50/60 Hz

Długość wbudowania [mm]

450

Gatunek materiału korpusu pompy

Żeliwo GG 25

Gatunek materiału wirnika

PP-GF

Klasa ciśnienia kołnierza przyłącza wlotowego

PN 16

Klasa ciśnienia kołnierza przyłącza wylotowego

PN 16

Klasa efektywności energetycznej silnika

IE5

Klasa izolacji wg IEC

F

Kształt końcówki

Okrągły

Liczba faz

3

Maks. ciśnienie robocze [bar]

16

Maks. wydajność (maks. przepływ) [m³/h]

1350

Maks. wysokość podnoszenia [m]

9,5

Materiał korpusu pompy

Żeliwo

Materiał wirnika

Polipropylen

Moc oddawana silnika (P2) [kW]

1,4

Pobór mocy przez pompę (solpump) [W]

1600

Pobór mocy silnika (P1) [kW]

1,6

Przepływ nominalny (BEP) [m³/h]

1007

Przyłącze od strony wlotowej

Kołnierz

Przyłącze po stronie wylotowej

Kołnierz

Prąd znamionowy [A]

2,6

Prędkość obrotowa [obr/min]

1800

Rodzaj przyłącza wlotowego

EN 1092-2

Rodzaj przyłącza wylotowego

EN 1092-2

Stopień ochrony (IP)

IP55

Temperatura otoczenia [°C]

50

Układ komunikacji

Przygotowany

Wskaźnik minimalnej sprawności (MEI)

0,7

Wysokość podnoszenia przy przepływie nominalnym (BEP) [kPa]

64,23

Zakres napięcia znamionowego [V]

400

Średnica nominalna przyłącza od strony wlotowej

DN 100

Średnica nominalna przyłącza od strony wylotowej

DN 100

Średnica zewnętrzna przyłącza od strony wylotowej [mm]

100

Do pobrania

Dane logistyczne

Opakowanie zbiorcze 1

Długość [m]

0,8

Szerokość [m]

0,272

Wysokość [m]

0,65