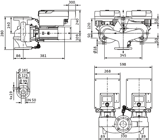
Pompa obiegowa WILO Stratos GIGA 2.0-D 50/1-30/2,2-R1-S1 typu in-line z silnikiem znormalizowanym 50/60 Hz, moc silnika 2.3kW 4 A 4050 obr/min, wlot Kołnierz DN 50
Dane techniczne
Częstotliwość
50/60 Hz
Długość wbudowania [mm]
280
Gatunek materiału korpusu pompy
Żeliwo GG 25
Gatunek materiału wirnika
PP-GF
Klasa ciśnienia kołnierza przyłącza wlotowego
PN 16
Klasa ciśnienia kołnierza przyłącza wylotowego
PN 16
Klasa efektywności energetycznej silnika
IE5
Klasa izolacji wg IEC
F
Kształt końcówki
Okrągły
Liczba faz
3
Maks. ciśnienie robocze [bar]
16
Maks. wydajność (maks. przepływ) [m³/h]
70
Materiał korpusu pompy
Żeliwo
Materiał wirnika
Polipropylen
Moc oddawana silnika (P2) [kW]
2,3
Pobór mocy przez pompę (solpump) [W]
2600
Pobór mocy silnika (P1) [kW]
2,6
Podwójna pompa
Tak
Przyłącze od strony wlotowej
Kołnierz
Przyłącze po stronie wylotowej
Kołnierz
Prąd znamionowy [A]
4
Prędkość obrotowa [obr/min]
4050
Rodzaj przyłącza wlotowego
EN 1092-2
Rodzaj przyłącza wylotowego
EN 1092-2
Stopień ochrony (IP)
IP55
Temperatura otoczenia [°C]
50
Wskaźnik minimalnej sprawności (MEI)
0,7
Zakres napięcia znamionowego [V]
400
Średnica nominalna przyłącza od strony wlotowej
DN 50
Średnica nominalna przyłącza od strony wylotowej
DN 50
Średnica zewnętrzna przyłącza od strony wylotowej [mm]
50







