Instalatorze, możesz zamówić kotły Vaillant ecoTEC pro za punkty PIK!
 

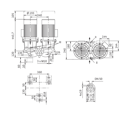
Pompa obiegowa WILO CronoTwin-DL 50/170-1,1/4-IE3 typu in-line z silnikiem znormalizowanym 50 Hz, moc silnika 1.1kW 2.3 A 1450 obr/min, wlot Kołnierz DN 50

Kod IK

812120947

Kod EAN

4048482218182

Kod producenta

2120947

Marka

WILO

Model

CronoTwin-DL 50/170-1,1/4-IE3

Cena katalogowa netto

4 728 EUR / szt.

Cena katalogowa brutto

5 815,44 EUR / szt.

Pompa podwójna Inline z dwiema jednostopniowymi dławnicowymi pompami wirowymi we wspólnym korpusie z klapą przełączającą, do montażu na rurociągu lub do ustawienia na fundamencie. Kołnierz zaślepiający na korpusie i konsole za dopłatą. Odporna na drgania, zapewniająca cichą pracę konstrukcja blokowa z latarnią i sztywno połączonym standardowym silnikiem kołnierzowym (silnik znormalizowany). Z niezależnym od kierunku obrotów mieszkowym uszczelnieniem mechanicznym z wymuszonym opływem oraz wirnikiem redukującym kawitację. Kołnierze z przyłączami pomiarowymi ciśnienia R 1/8. Korpus pompy i latarnia z powłoką kataforetyczną.

Dane eksploatacyjne
*temperatura przetłaczanej cieczy: -20 oC
*temperatura otoczenia: -15 oC
*Maks. ciśnienie robocze: 16 bar
*: 16 bar do 120oC, 13 bar do 140oC
*Wskaźnik minimalnej energochłonności (MEI): 0,4
Dane silnika
*Klasa sprawności energetycznej silnika:
*Przyłącze sieciowe:
*Tolerancja napięcia:
*Moc znamionowa : 1100
*Znamionowa prędkość obrotowa: 1450 Obroty / min
*Prąd znamionowy: 2,3 A
*Współczynnik mocy: 0,82
*Sprawność silnika ηm 50 %: 80,1
*Sprawność silnika ηm 75 %: 83,5
*Sprawność silnika ηm 100 %: 84,1
*Klasa izolacji: F
*Stopień ochrony:
Materiały
*Korpus pompy: EN-GJL-250
*Wirnik:
*Wał: Stal nierdzewna
*Uszczelnienie wału: AQ1EGG
*Latarnia: EN-GJL-250
Wymiary montażowe
*Przyłącze gwintowane po stronie ssawnej: DN 50
*Przyłącze gwintowane po stronie tłocznej: DN 50
Informacje na temat umiejscowienia zamówień
*Produkt:
*Nazwa produktu: CronoTwin-DL 50/170-1,1/4
*Masa netto ok.: 109,1 kg
*Numer artykułu: 2120947

Dane techniczne

Częstotliwość

50 Hz

Długość wbudowania [mm]

340

Gatunek materiału korpusu pompy

Żeliwo GG 25

Gatunek materiału wirnika

Żeliwo GG 20

Klasa ciśnienia kołnierza przyłącza wlotowego

PN 16

Klasa ciśnienia kołnierza przyłącza wylotowego

PN 16

Klasa efektywności energetycznej silnika

IE3

Klasa izolacji wg IEC

F

Kształt końcówki

Okrągły

Liczba faz

3

Maks. ciśnienie robocze [bar]

16

Maks. wydajność (maks. przepływ) [m³/h]

59,4

Maks. wysokość podnoszenia [m]

10,09

Materiał korpusu pompy

Żeliwo

Materiał wirnika

Żeliwo

Moc oddawana silnika (P2) [kW]

1,1

Podwójna pompa

Tak

Przepływ nominalny (BEP) [m³/h]

39,07

Przyłącze od strony wlotowej

Kołnierz

Przyłącze po stronie wylotowej

Kołnierz

Prąd znamionowy [A]

2,3

Prędkość obrotowa [obr/min]

1450

Rodzaj przyłącza wlotowego

EN 1092-2

Rodzaj przyłącza wylotowego

EN 1092-2

Stopień ochrony (IP)

IP55

Wskaźnik minimalnej sprawności (MEI)

0,4

Wysokość podnoszenia przy przepływie nominalnym (BEP) [kPa]

78,87

Zakres napięcia znamionowego [V]

400

Średnica nominalna przyłącza od strony wlotowej

DN 50

Średnica nominalna przyłącza od strony wylotowej

DN 50

Średnica zewnętrzna przyłącza od strony wylotowej [mm]

50

Do pobrania

Dane logistyczne

Opakowanie zbiorcze 1

Długość [m]

0,8

Szerokość [m]

1,2

Wysokość [m]

0,484