Pompa do ścieków WILO DrainLift XXL 50 Hz / 56.67 m³/h / 2.7 W
*Wskaźniki diodowe do wskazywania stanów roboczych i sygnalizacji awarii
*Ustawiane opóźnienie
*Zintegrowany i niezależny od zasilania alarm
*1x styk bezpotencjałowy do podłączenia zbiorczej sygnalizacji awarii (SSM)
Zakres dostawy:
*Gotowe do podłączenia urządzenie do przetłaczania ścieków z urządzeniem sterującym
*1x mankiet uszczelniający do podłączenia ręcznej pompy membranowej
*1x przyłącze dopływu DN 150
*1x mankiet uszczelniający do przyłącza odpowietrzającego DN 70
*1x zestaw do wykonania połączenia między zbiornikiem a pompą
Uwaga: Armatury konieczne do instalacji, jak kształtka rozgałęźna, zawór odcinający i zawór zwrotny, należą do wyposażenia dodatkowego i należy je zamówić oddzielnie!
Dane eksploatacyjne
Dopuszczalny zakres zastosowania
*temperatura przetłaczanej cieczy: 3 oC
*Maks. temperatura mediów, chwilowo do 3 min.: 60 oC
*temperatura otoczenia: 3 oC
*Maks. ciśnienie robocze: 3 bar
*Maks. dopuszczalne ciśnienie w przewodzie ciśnieniowym: 3 bar
Dane produktu
*Pojemność brutto zbiornika: 800 l
*Pojemność załączania: 460 l
*Tryb pracy (wynurzony): S1 S3-25%, 60 s
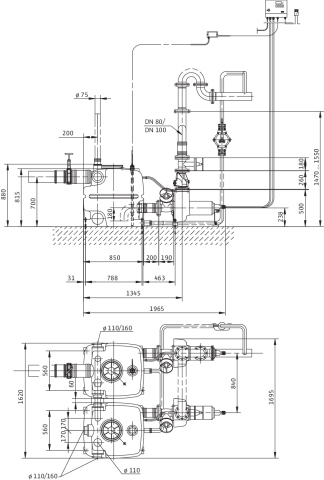
*Wysokość: 880 mm
*Długość: 1965 mm
*Szerokość: 1695 mm
*Wymiar po przekątnej: 2623 mm
Dane silnika
*Przyłącze sieciowe:
*Tolerancja napięcia:
*Znamionowa moc silnika: 2100
*Znamionowa prędkość obrotowa: 1450 Obroty / min
*Prąd znamionowy: 7,1 A
*Klasa izolacji: F
*Stopień ochrony silnika:
*Rodzaj załączania: Bezpośrednio online (DOL)
*Maks. częstotliwość załączania: 60
*Zabezpieczenie silnika:
Przewód
*Wtyczka sieciowa: nie
Materiały
*Materiał zbiornika:
*Korpus pompy:
*Wirnik:
*Materiał silnika: Stal nierdzewna
Wymiary montażowe
*Przyłącze gwintowane po stronie ssawnej: Ø 110
*Przyłącze gwintowane po stronie tłocznej: DN 80
*Przyłącze odpowietrzenia: Ø 75
Informacje na temat umiejscowienia zamówień
*Produkt:
*Nazwa produktu: DrainLift XXL 880-2/2,1
*Masa netto ok.: 195 kg
*Numer artykułu: 2509006
Dane techniczne
Częstotliwość
50 Hz
Gatunek materiału korpusu pompy
Inne
Gatunek materiału wirnika
Inne
Gatunek materiału zbiornika
PE-40
Głębokość [mm]
1965
Klasa ciśnienia kołnierza przyłącza wylotowego
PN 10
Klasa izolacji wg IEC
F
Kształt końcówki
Inne
Liczba faz
3
Maks. ciśnienie robocze [bar]
3
Maks. wydajność (maks. przepływ) [m³/h]
85
Maksymalna wysokość podnoszenia [m]
10,51
Materiał korpusu pompy
Poliuretan
Materiał wirnika
Poliuretan
Materiał zbiornika
Inne
Moc oddawana silnika (P2) [W]
2,1
Nominalny przepływ [m³/h]
56,67
Nominalny tryb pracy
S3/S1
Pobór mocy silnika (P1) [W]
2,7
Pojemność zbiornika [l]
800
Przepływ nominalny (BEP) [m³/h]
56,67
Przyłącze od strony zasilającej
Inne
Przyłącze po stronie wylotowej
Kołnierz
Prąd znamionowy [A]
7,1
Prędkość obrotowa [1/min]
1450
Rodzaj przyłącza wylotowego
EN 1092-2
Stopień ochrony (IP)
IP67
Szerokość [mm]
1695
Wysokość [mm]
880
Wysokość podnoszenia przy przepływie nominalnym (BEP) [kPa]
56,57
Zakres napięcia znamionowego [V]
400
Średnica normatywna przyłącza od strony tłocznej
DN 80
Średnica przyłącza od strony tłocznej [mm]
80







