Pionowa, wielostopniowa pompa odśrodkowa CR5-24 K-FGJ-A-E-HQQE 3x400D 50HZ
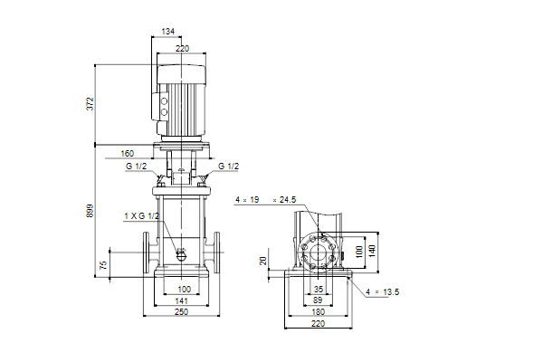
Pionowa, wielostopniowa pompa odśrodkowa z króćcami wlotowymi i wylotowymi na tym samym poziomie (inline). Głowica i podstawa pompy są wykonane z żeliwa, a wszystkie inne części zwilżane ze stali nierdzewnej. Specjalna konstrukcja pierwszego stopnia „Low NPSH” zmniejsza wartość NPSHr pompy. Kastowe uszczelnienie wału zapewnia wysoką niezawodność, bezpieczną obsługę oraz łatwy dostęp i serwis. Przenoszenie mocy odbywa się za pomocą sztywnego sprzęgła dzielonego. Połączenie rurowe odbywa się za pomocą połączonych kołnierzy DIN-ANSI-JIS. Pompa jest wyposażona w 3-fazowy, chłodzony wentylatorem silnik asynchroniczny.
Dane logistyczne
Opakowanie zbiorcze 1
Jednostka zbiorcza opak.
warstwa
Opakowanie zbiorcze 2
Jednostka zbiorcza opak.
paleta








