Instalatorze, możesz zamówić kotły Vaillant ecoTEC pro za punkty PIK!
 

Odpływ narożny, stal nierdzewna / błyszczący do odpływów prysznicowych VIEGA 497283

Kod IK

67627003

Kod EAN

4015211627003

Kod producenta

627003

Marka

VIEGA

Model

497283

Cena katalogowa netto

2 802,85 zł / szt.

Cena katalogowa brutto

3 447,51 zł / szt.

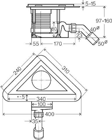
Advantix-odpływ narożny. Przeznaczenie: uszczelnienie cienkowarstwowe (do natrysków kafelkowanych) lub membrana uszczelniająca, stal nierdzewna 1.4301, nie występuje: blacha ścienna. Wyposażenie: Zestaw regulowanych nóżek, ramka z regulacją wysokości i boczną, regulowane zamknięcie wodne 35–50 mm z zabezpieczeniem przed wysysaniem wody z syfonu, możliwość czyszczenia przyłącza, wyjmowany element syfonu, sitko, element do wyrównania wysokości, kołnierz uszczelniający, materiał do mocowania, mata uszczelniająca Schlüter-KERDI z klejem. Dane techniczne: klasa obciążenia K=300 kg, wydajność odpływu przy wysokości spiętrzenia 10 mm 0,75‑1 l/s, wydajność odpływu przy wysokości spiętrzenia 20 mm 0,8‑1,1 l/s. Wskazówka: W przypadku tego modelu odpływu z powodu niskiego wariantu zabudowy w zakresie rury odpływowej nie jest możliwe wystarczające pokrycie z jastrychu. Należy to uwzględnić wcześniej na etapie projektu. Należy odpowiednio zaplanować możliwe rozwiązania uwzględniające wielkość płytek i/lub ewentualną masę żywicy epoksydowej!, wg PN-EN 1253, nr wzoru 4972.83, nr kat. 627 003, DN: 40/50 H zab.: 110-200 odpływ poziomy, wykonanie: błyszczący

Dane techniczne

Rodzaj akcesorium

Odpływ narożny, stal nierdzewna / błyszczący

Dane logistyczne

Opakowanie zbiorcze 1

Jednostka zbiorcza opak.

paleta

Ilość

48

Masa brutto [kg]

196

Długość [m]

0,8

Szerokość [m]

1,2

Wysokość [m]

1,806