Instalatorze, możesz zamówić kotły Vaillant ecoTEC pro za punkty PIK!
 

Nypel przejściowy 90' TECE flex, mosiądz, 16 mm x 1/2'' (zz x GZ)

Kod IK

J1767516

Kod EAN

4027255052482

Kod producenta

767516

Marka

TECE

Model

flex

Cena katalogowa netto

27,80 zł / szt.

Cena katalogowa brutto

34,19 zł / szt.

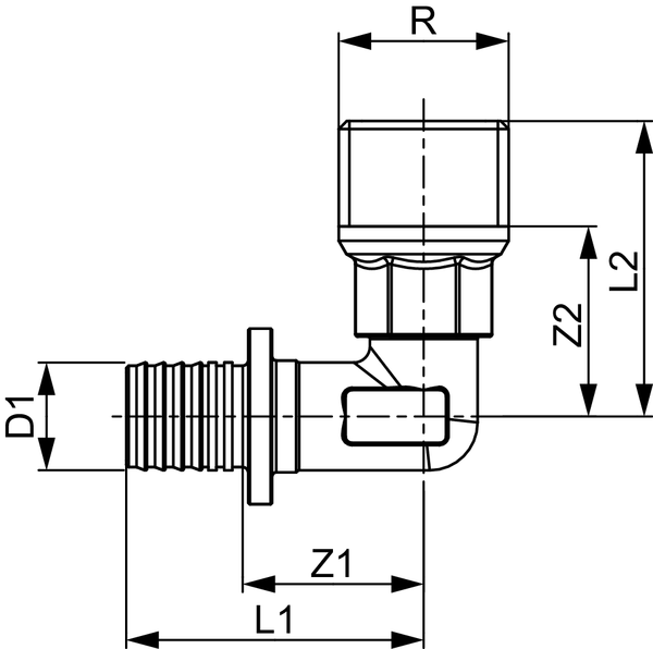
TECEflex nypel przejściowy kątowy z mosiądzu standard

Dane techniczne

Kąt łuku [°]

90

Materiał połączenia 1

Mosiądz

Model/kształt/forma

Kolanko

Połączenie 1

ZZ

Połączenie 2

Gwint zewnętrzny

Rodzaj złącza

Nypel przejściowy

Znamionowa średnica wewnętrzna połączenia 1

16 mm

Znamionowa średnica wewnętrzna połączenia 2

1/2''