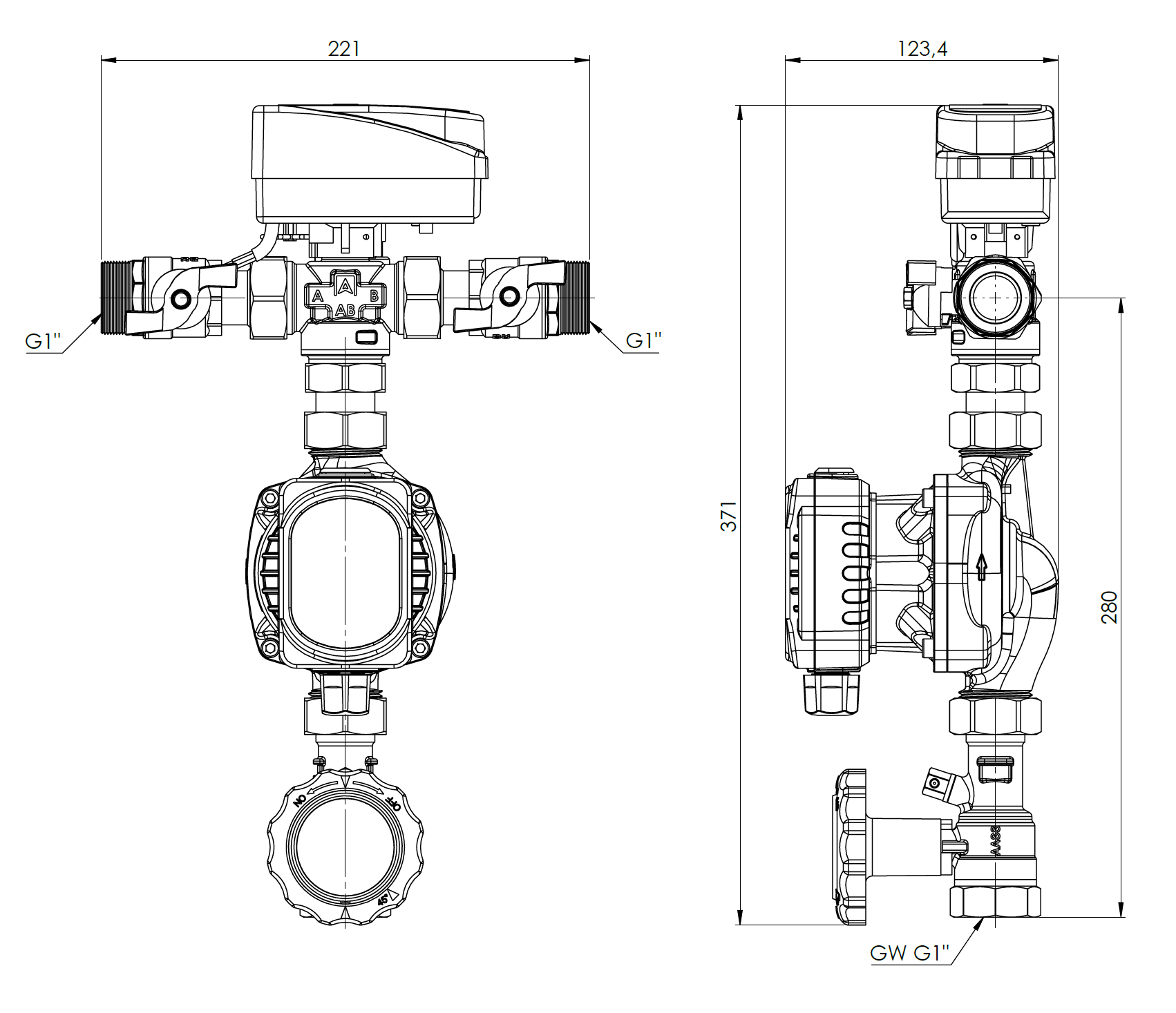
Moduł przełączający BDU 571 AP do pomp ciepła z zaworem AZV 643, pompa APH 160
Tuleja do montażu czujnika temperatury.
Termometr wbudowany w pokrętło zaworu odcinającego kontroluje temperaturę medium.
Zawory odcinające na każdym przyłączu umożliwiają odcięcie pompy oraz zaworu strefowego od reszty instalacji.
Zastosowanie
Stosowany w instalacjach grzewczych.Montowany między źródłem ciepła a dwoma częściami instalacji np.: zasobnikiem ciepłej wody użytkowej oraz buforem ciepła.
Pompuje czynnik grzewczy oraz przełącza przepływ pomiędzy dwoma częściami instalacji po otrzymaniu odpowiedniego sygnału sterującego.









