Instalatorze, możesz zamówić kotły Vaillant ecoTEC pro za punkty PIK!
 

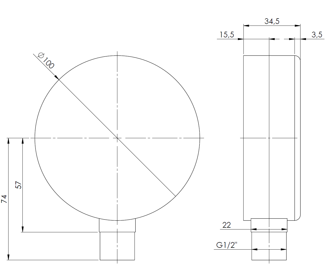
Manometr z rurką Bourdona AFRISO RF grzewczy -1/0 bar G1/2B radialne fi 100 mm, kl. 1.6%

Kod IK

8063601

Kod EAN

4016203636010

Kod producenta

63601

Marka

AFRISO

Model

RF grzewczy

Cena katalogowa netto

21,60 EUR / szt.

Cena katalogowa brutto

26,57 EUR / szt.

Przeznaczony do pomiaru ciśnienia w dowolnych miejscach w instalacji.
Przeznaczony do gazów i cieczy nielepkich, niekrystalizujących, które nie działają niszcząco na stopy miedzi.

Zastosowanie

Przyrząd uniwersalny do instalacji grzewczych i chłodzących.

Filmy

Dane techniczne

Klasa dokładności wg EN

1.6%

Miejsce połączenia

radialne

Rozmiar przyłącza procesowego

G1/2B

Zakres skali (w barach)

-1/0

Średnica obudowy [mm]

100

Wydarzenia - AFRISO