Zawór zwrotny KFA Armatura antyskażeniowy 1 1/4'' gw
Zawór zwrotny antyskażeniowy 1 1/4
Informacje dodatkowe
- Kolekcja: zawory antyskażeniowe
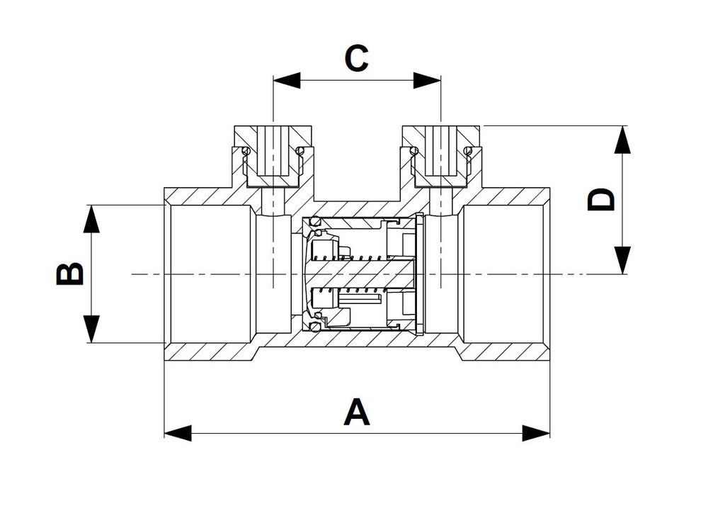
Parametry techniczne
- B [mm]: 32
- A [mm]: 95
- C [mm]: 43
- D [mm]: 36,5
- Element sterujący: grzybek zaworu
- Przyłączenie: nakrętne
- Powierzchnia: śrutowana
- Przelot: standardowy
- Ciśnienie robocze [bar]: 10
- Temperatura wody ['C] maks.: 65'C
- Wymiar [cal]: 1 1/4
Dane techniczne
Materiał korpusu
Mosiądz
Nominalna średnica wewnętrzna
1 1/4''
Rodzaj połączeń
GW
Dane logistyczne
Opakowanie zbiorcze 1
Jednostka zbiorcza opak.
opak
Masa brutto [kg]
0,42
Długość [m]
0,105
Szerokość [m]
0,05
Wysokość [m]
0,07








