Zawór zwrotny KFA Armatura antyskażeniowy 1 1/2'' gw
Zawór zwrotny antyskażeniowy 1 1/2
Informacje dodatkowe
- Kolekcja: zawory antyskażeniowe
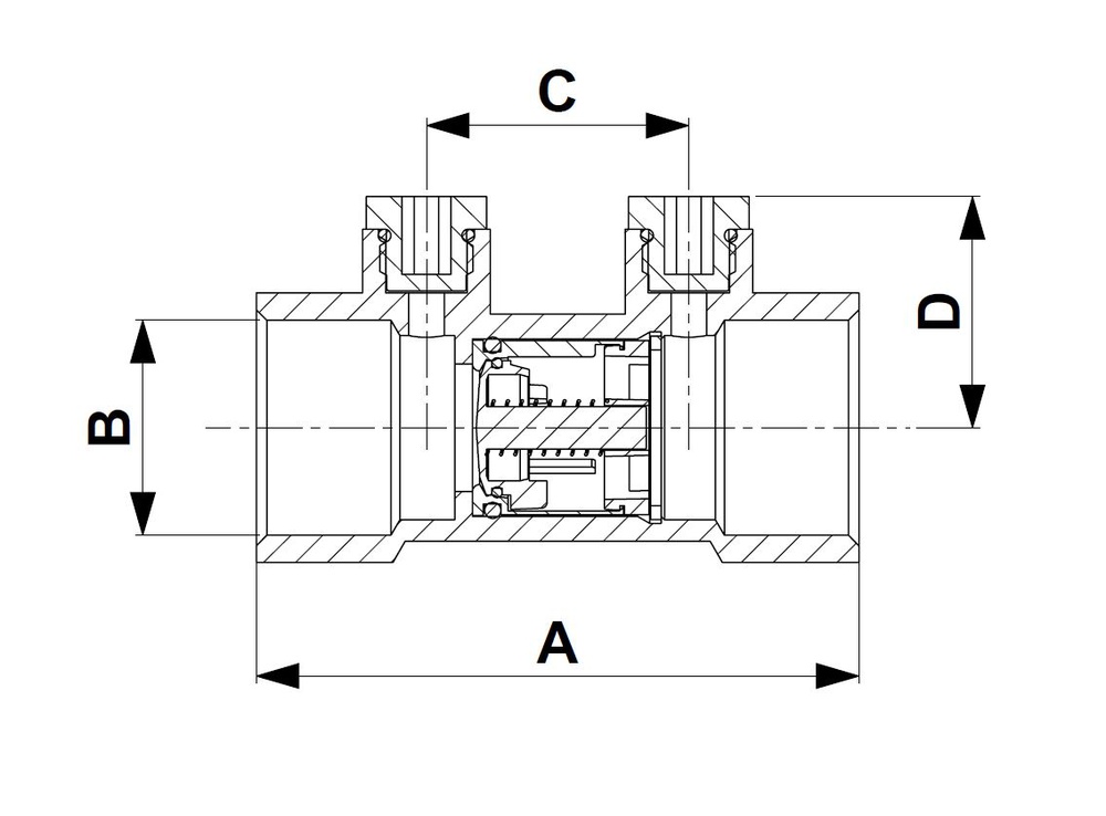
Parametry techniczne
- B [mm]: 40
- A [mm]: 110
- C [mm]: 50
- D [mm]: 39,5
- Element sterujący: grzybek zaworu
- Przyłączenie: nakrętne
- Powierzchnia: śrutowana
- Przelot: standardowy
- Ciśnienie robocze [bar]: 10
- Temperatura wody ['C] maks.: 65'C
- Wymiar [cal]: 1 1/2
Dane techniczne
Materiał korpusu
Mosiądz
Nominalna średnica wewnętrzna
1 1/2''
Rodzaj połączeń
GW
Dane logistyczne
Opakowanie zbiorcze 1
Jednostka zbiorcza opak.
opak
Masa brutto [kg]
0,59
Długość [m]
0,12
Szerokość [m]
0,06
Wysokość [m]
0,07








