Wilo-Medana CH1-L.603-2/V/E/10T wysokociśnieniowa pozioma pompa do wody
Dane techniczne
Częstotliwość
50 Hz
Gatunek materiału korpusu pompy
Stal nierdzewna 316 L
Gatunek materiału połączenia
Stal nierdzewna 316 L
Gatunek materiału wirnika
Stal nierdzewna 316 L
Klasa ciśnienia kołnierza przyłącza wlotowego
PN 10
Klasa ciśnienia kołnierza przyłącza wylotowego
PN 10
Klasa efektywności energetycznej silnika
IE3
Klasa izolacji wg IEC
F
Kształt końcówki
Inne
Liczba faz
3
Maks. ciśnienie robocze [bar]
10
Maks. wydajność (maks. przepływ) [m³/h]
10,11
Maks. wysokość podnoszenia [m]
35,05
Materiał korpusu pompy
Stal nierdzewna
Materiał połączenia
Stal nierdzewna
Materiał wirnika
Stal nierdzewna
Moc oddawana silnika (P2) [kW]
1,1
Przyłącze od strony wlotowej
Gwint wewnętrzny cylindryczny BSPT-Rp
Przyłącze po stronie wylotowej
Gwint wewnętrzny cylindryczny BSPT-Rp
Prąd znamionowy [A]
2,7
Prędkość obrotowa [obr/min]
2900
Rodzaj przyłącza wlotowego
ISO 7-1 / EN 10226-1
Rodzaj przyłącza wylotowego
ISO 7-1 / EN 10226-1
Stopień ochrony (IP)
IP55
Wskaźnik minimalnej sprawności (MEI)
0,7
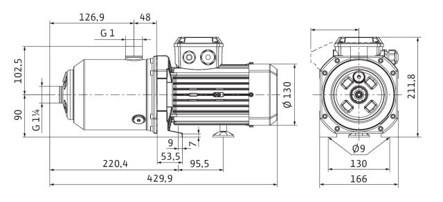
Wysokość pompy [mm]
90
Zakres napięcia znamionowego [V]
400
Średnica nominalna przyłącza od strony wlotowej
1 1/4 cala
Średnica nominalna przyłącza od strony wylotowej
1 cal
Średnica zewnętrzna przyłącza od strony wylotowej [mm]
25
Dane logistyczne
Opakowanie zbiorcze 1
Długość [m]
0,6
Szerokość [m]
0,26
Wysokość [m]
0,28







