Wilo-Medana CV1-L.203-1/E/A/100 pionowa wysokociśnieniowa pompa wirowa
Normalnie zasysająca, pionowa wysokociśnieniowa pompa wirowa o konstrukcji Inline.
Pompa o kompaktowej konstrukcji z wałem przelotowym silnik-pompa i niezależnym od kierunku obrotów uszczelnieniem mechanicznym. Komory stopni, wirniki i kierownice przepływowe ze stali nierdzewnej. Płyta podstawy pompy z żeliwa z powłoką kataforetyczną z połączeniem kołnierzowym owalnym.
Pompa służy do zaopatrywania w wodę i podwyższania ciśnienia, zarówno w przemysłowych systemach cyrkulacyjnych, jak i w obiegach wody procesowej i zamkniętych obiegach chłodzenia. Można ją stosować również w systemach przeciwpożarowych, myjniach, do nawadniania oraz podczas korzystania z wody deszczowej.
Cechy szczególne/zalety produktu
- Przystosowany do zastosowania z wodą użytkową i specjalnych zastosowań dzięki konstrukcji ze stali szlachetnej
- Oszczędzająca miejsca, kompaktowa i wytrzymała konstrukcja pompy
- Nadaje się do stosowania w temperaturach otoczenia do 50°C i do rozszerzonego obszaru zastosowań, szczególnie do integracji systemów
Zakres dostawy
- Wielostopniowa pionowa pompa Wilo-Medana CV1-L
- Przeciwkołnierze owalne ze stali nierdzewnej Rp 1 do Rp 2" z przynależnymi śrubami, nakrętkami i uszczelkami
- Instrukcja montażu i obsługi
Konstrukcja
- Pompa o konstrukcji Inline z przelotowym wałem silnika / pompy
- Hydraulika pompy i korpus pompy z 1.4301 (AISI 304)
- Wirniki pompy, komora stopniowa, wał i korpus pompy ze stali nierdzewnej 1.4404 (AISI316L) na zapytanie. Korpus pompy z 1.4404 (AISI316L) dostępny tylko z kołnierzem okrągłym DIN
- Z połączeniem kołnierzowym owalnym
- Kołnierz okrągły DIN lub przyłącze Victaulic dostępne na zapytanie
- Silnik prądu przemiennego lub indukcyjny trójfazowy
- Zabezpieczenie silnika jest opcjonalnie dostępne dla silnika 3~. Ta opcja jest wymagana w przypadku korzystania z zewnętrznej przetwornicy częstotliwości
- Silnik prądu przemiennego, wyposażony w kondensator, ze zintegrowanym termicznym zabezpieczeniem silnika (wraz z automatycznym, ponownym włączaniem)
- Dopuszczenie do stosowania z wodą użytkową dla pomp na wszystkie części ze stali nierdzewnej, które mają kontakt z medium (wersja EPDM)
- Zestawy obejść są dostępne w ramach wyposażenia dodatkowego
Dane techniczne
Częstotliwość
50 Hz
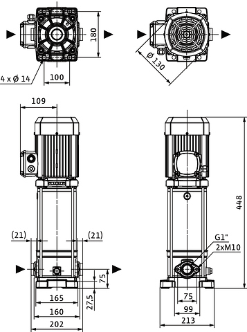
Długość wbudowania [mm]
202
Gatunek materiału korpusu pompy
Stal nierdzewna 304
Gatunek materiału połączenia
Stal nierdzewna 304
Gatunek materiału wirnika
Stal nierdzewna 304
Klasa ciśnienia kołnierza przyłącza wlotowego
PN 16
Klasa ciśnienia kołnierza przyłącza wylotowego
PN 16
Klasa efektywności energetycznej silnika
IE2
Klasa izolacji wg IEC
F
Kształt końcówki
Inne
Liczba faz
1
Maks. ciśnienie robocze [bar]
10
Maks. wydajność (maks. przepływ) [m³/h]
3,88
Maks. wysokość podnoszenia [m]
27,27
Materiał korpusu pompy
Stal nierdzewna
Materiał połączenia
Stal nierdzewna
Materiał wirnika
Stal nierdzewna
Moc oddawana silnika (P2) [kW]
0,37
Przyłącze od strony wlotowej
Gwint zewnętrzny gazowy walcowy
Przyłącze po stronie wylotowej
Gwint zewnętrzny gazowy walcowy
Prąd znamionowy [A]
2,5
Prędkość obrotowa [obr/min]
2900
Rodzaj przyłącza wlotowego
ISO 228-1
Rodzaj przyłącza wylotowego
ISO 228-1
Stopień ochrony (IP)
IP55
Wskaźnik minimalnej sprawności (MEI)
0,7
Wysokość pompy [mm]
75
Zakres napięcia znamionowego [V]
230
Średnica nominalna przyłącza od strony wlotowej
1 cal
Średnica nominalna przyłącza od strony wylotowej
1 cal
Średnica zewnętrzna przyłącza od strony wylotowej [mm]
25







